GM Service Manual Online
For 1990-2009 cars only
Makes
🢒
Cadillac
🢒
2005
🢒
Escalade EXT
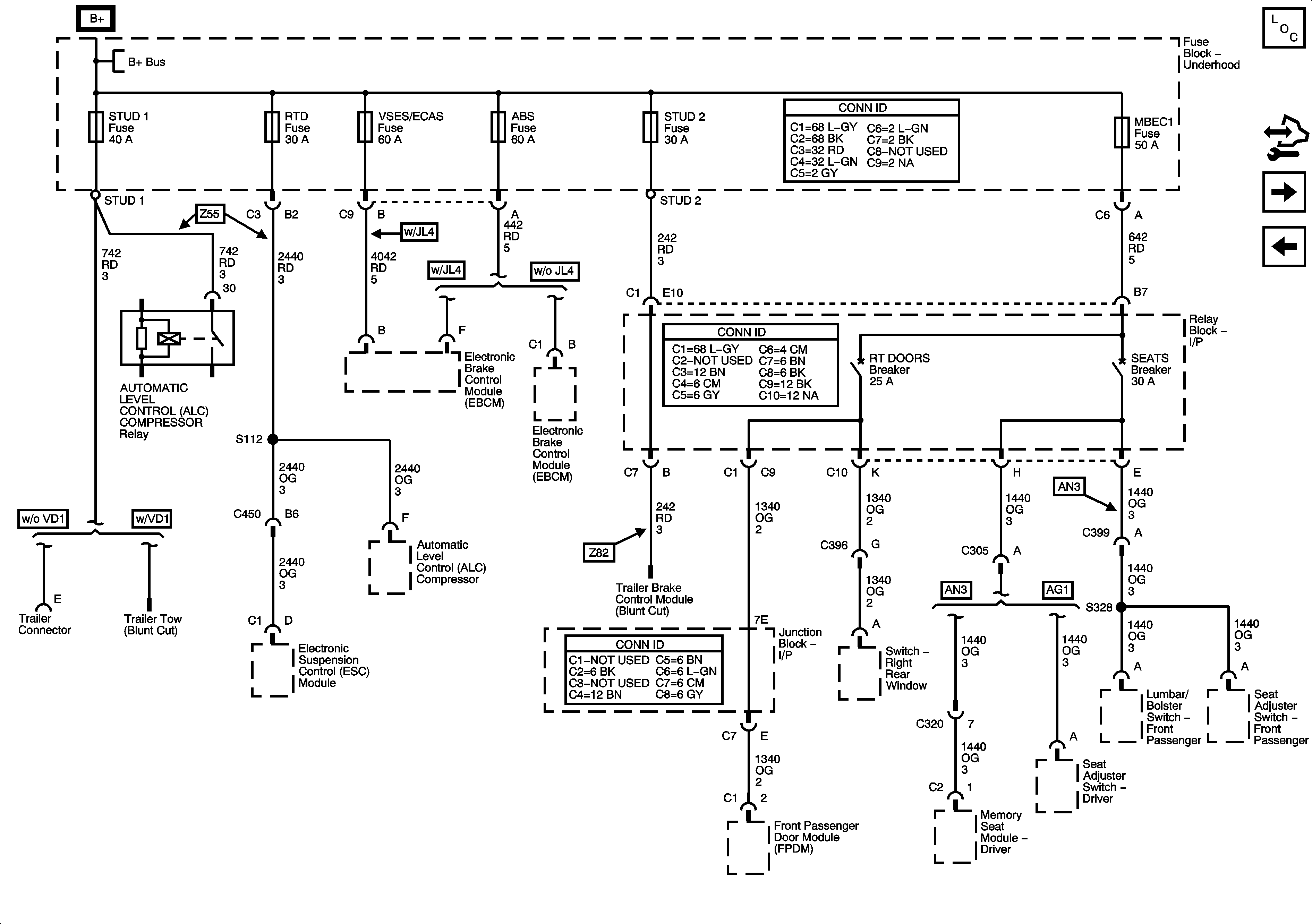
🢒 ABS, MBEC 1, RTD, STUD 2, and VSES/ECAS Fuses; RT DOORS and SEATS Circuit Breakers
ABS, MBEC 1, RTD, STUD 2, and VSES/ECAS Fuses; RT DOORS and SEATS Circuit Breakers
ABS, MBEC 1, RTD, STUD 2, VSES/ECAS Fuses; RT DOORS and SEATS Circuit Breakers
Master Electrical Component List
Control Module References
CIG LTR, EAP, and INFO Fuses
B+ Bus - 2 of 2
B+ Bus - 1 of 2