GM Service Manual Online
For 1990-2009 cars only
Makes
🢒
Cadillac
🢒
2005
🢒
Escalade EXT
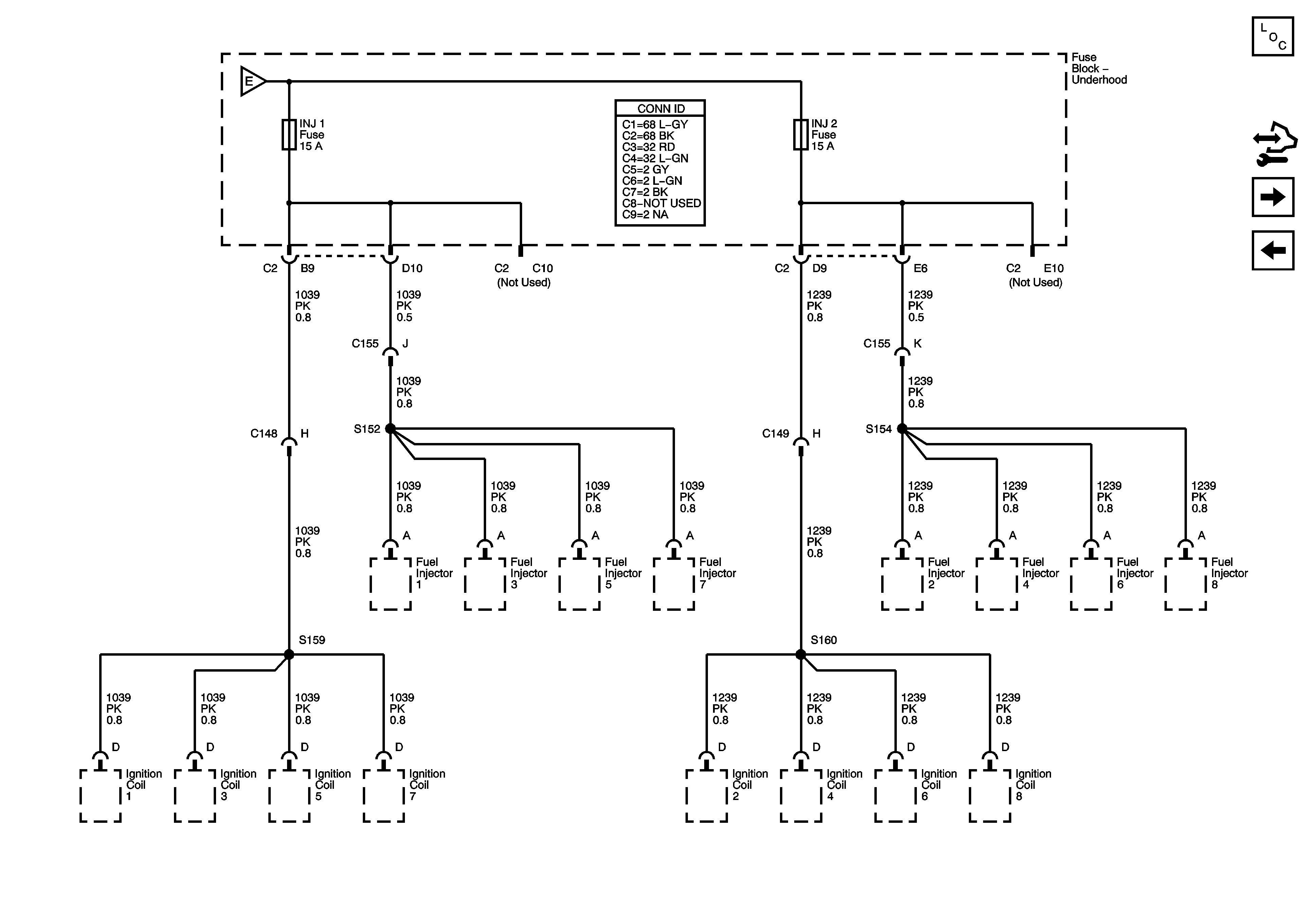
🢒 IGN 1 Relay Bus - 2 of 2 - INJ 1 and INJ 2 Fuses - L18
IGN 1 Relay Bus - 2 of 2 - INJ 1 and INJ 2 Fuses - L18
IGN 1 Relay Bus -- 2 of 2 -- INJ 1 and INJ 2 Fuses -L18
Master Electrical Component List
Control Module References
LT TRLR, LT TRN, RT TRLR, and RT TRN Fuses
IGN 1 Relay Bus - 1 of 2 - ETC/ECM, PCM I, and SBA Fuses - Complete; INJ 1 and INJ 2 Fuses - Except L18
IGN 1 Relay Bus - 1 of 2 - ETC/ECM, PCM I, and SBA Fuses - Complete; INJ 1 and INJ 2 Fuses - Except L18