GM Service Manual Online
For 1990-2009 cars only
Makes
🢒
Cadillac
🢒
2005
🢒
Escalade EXT
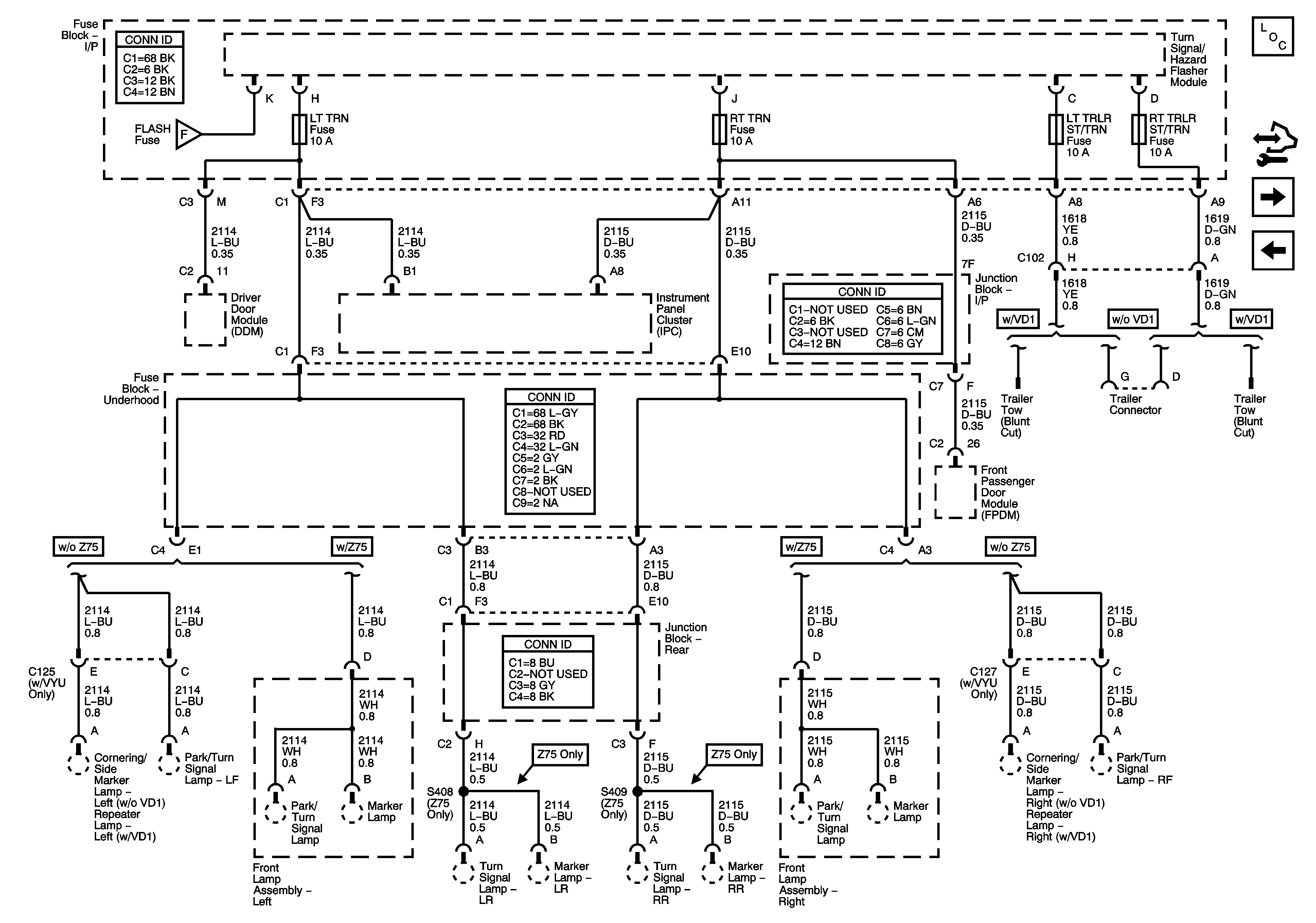
🢒 LT TRLR, LT TRN, RT TRLR, and RT TRN Fuses
LT TRLR, LT TRN, RT TRLR, and RT TRN Fuses
LT TRLR, LT TRN, RT TRLR, and RT TRN Fuses
Master Electrical Component List
Control Module References
HI HDLP LT, HI HDLP RT, HORN, LO HDLP LT, and LO HDLP RT Fuses
IGN 1 Relay Bus - 2 of 2 - INJ 1 and INJ 2 Fuses - L18
BLOWER, FLASH, HVAC/ECAS, LBEC 1, RR DEFOG, RR HVAC, TBC 2A, TBC 2B, and TBC 2C Fuses, and LT DOOR Breaker