GM Service Manual Online
For 1990-2009 cars only
Makes
🢒
Cadillac
🢒
2005
🢒
Escalade EXT
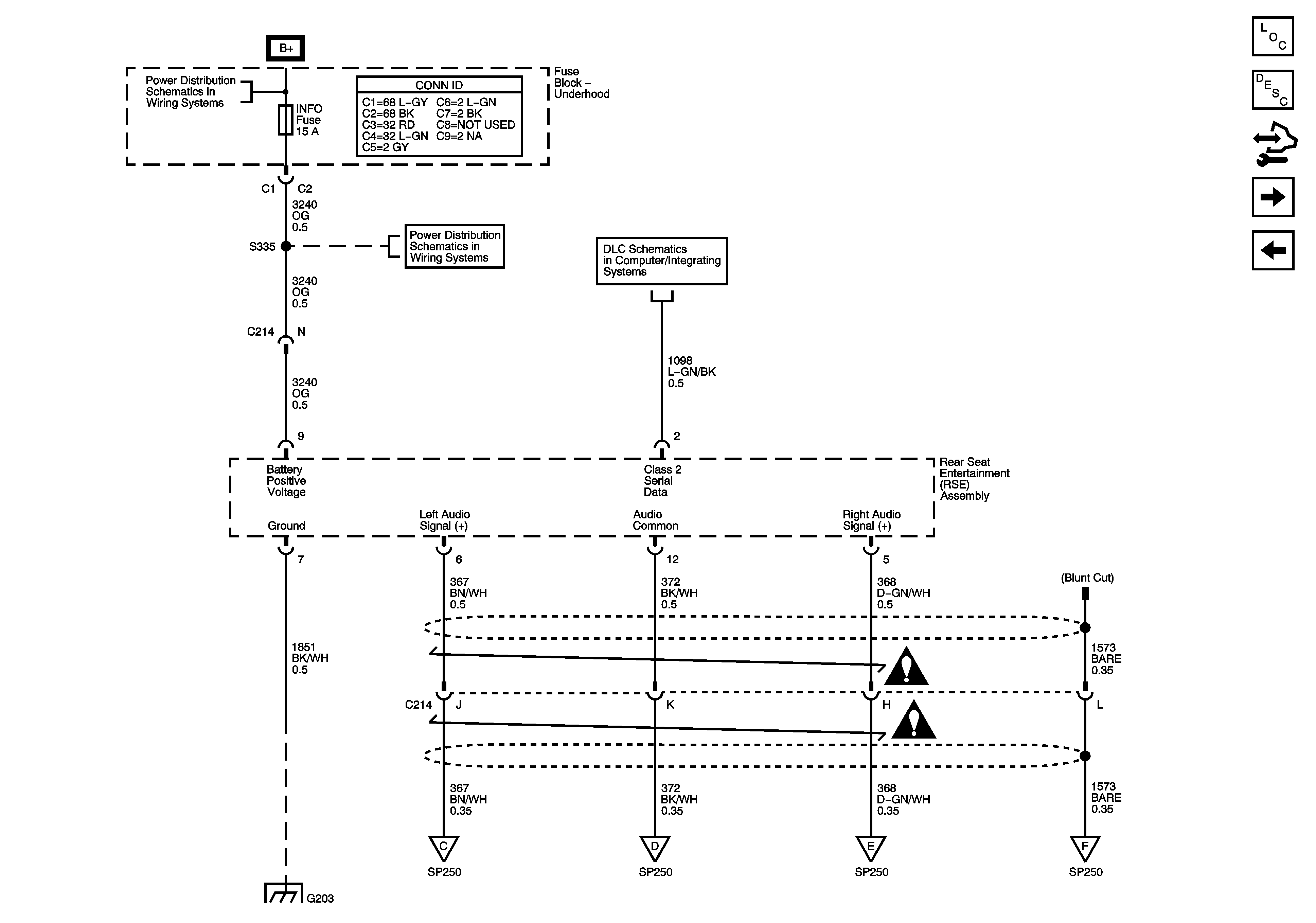
🢒 External Audio Source (U42)
External Audio Source (U42)
External Audio Source - U42
Master Electrical Component List
Radio/Audio System Description and Operation
Control Module References
Splice Pack 250
External Audio Source (U2K)
CIG LTR, EAP, and INFO Fuses
CIG LTR, EAP, and INFO Fuses
Splice Pack SP207
Entertainment Schematic Icons
Splice Pack 250
G203 - 2 of 3