GM Service Manual Online
For 1990-2009 cars only
Makes
🢒
Cadillac
🢒
2005
🢒
Escalade EXT
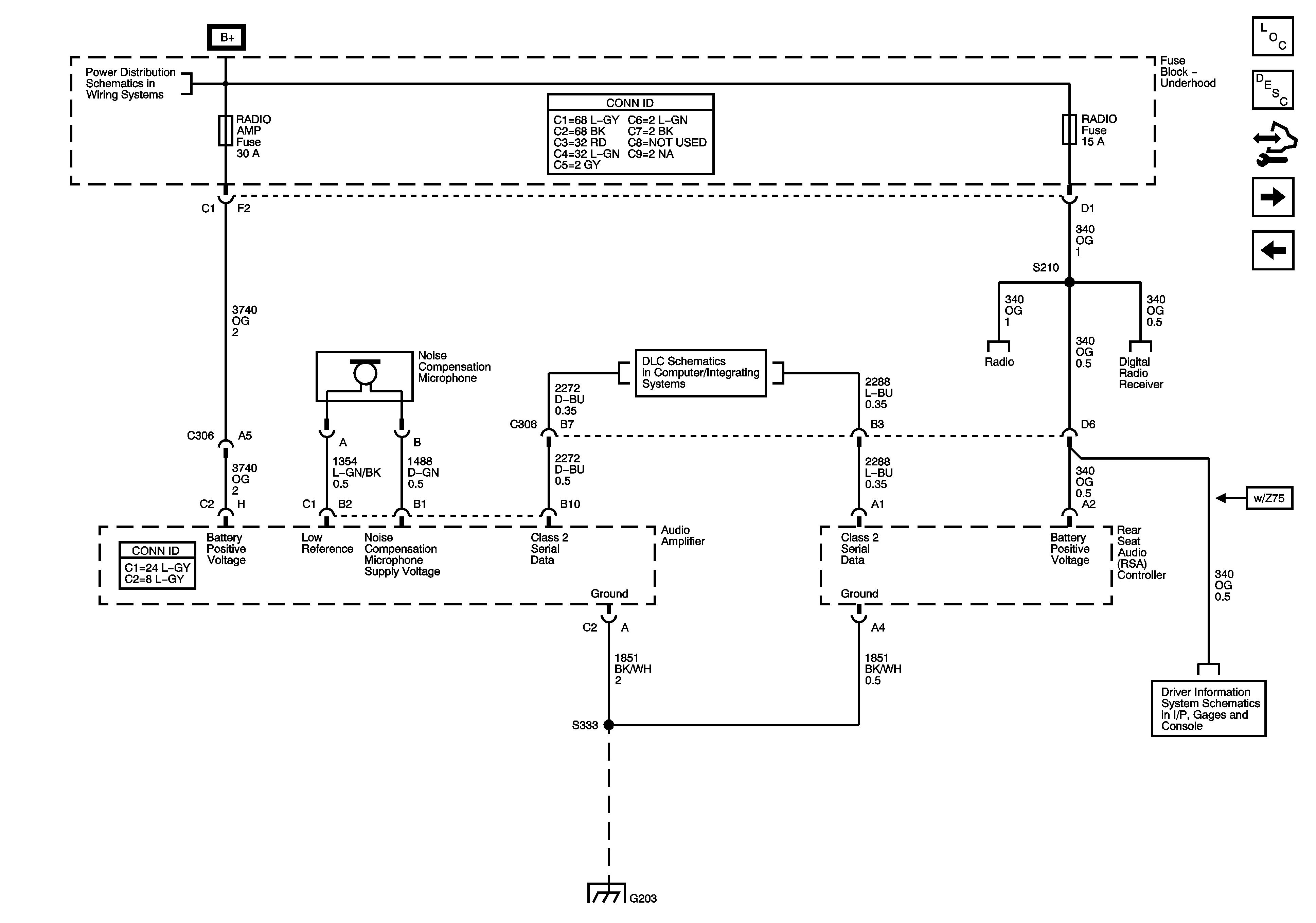
🢒 Amplifier and RSA Power, Ground, Serial Data, and Noise Compensation Microphone
Amplifier and RSA Power, Ground, Serial Data, and Noise Compensation Microphone
Amplifier and RSA Power, Ground, and Serial Data, and Noise Compensation Microphone
Master Electrical Component List
Radio/Audio System Description and Operation
Control Module References
Speakers
Splice Pack 250
B+ Bus - 1 of 2
Splice Pack SP207
Radio Power, Ground, Class 2 Serial Data, and Audio Signals
External Audio Source (U2K)
Analog Clock
G203 - 1 of 3