GM Service Manual Online
For 1990-2009 cars only
Makes
🢒
Cadillac
🢒
2005
🢒
Escalade EXT
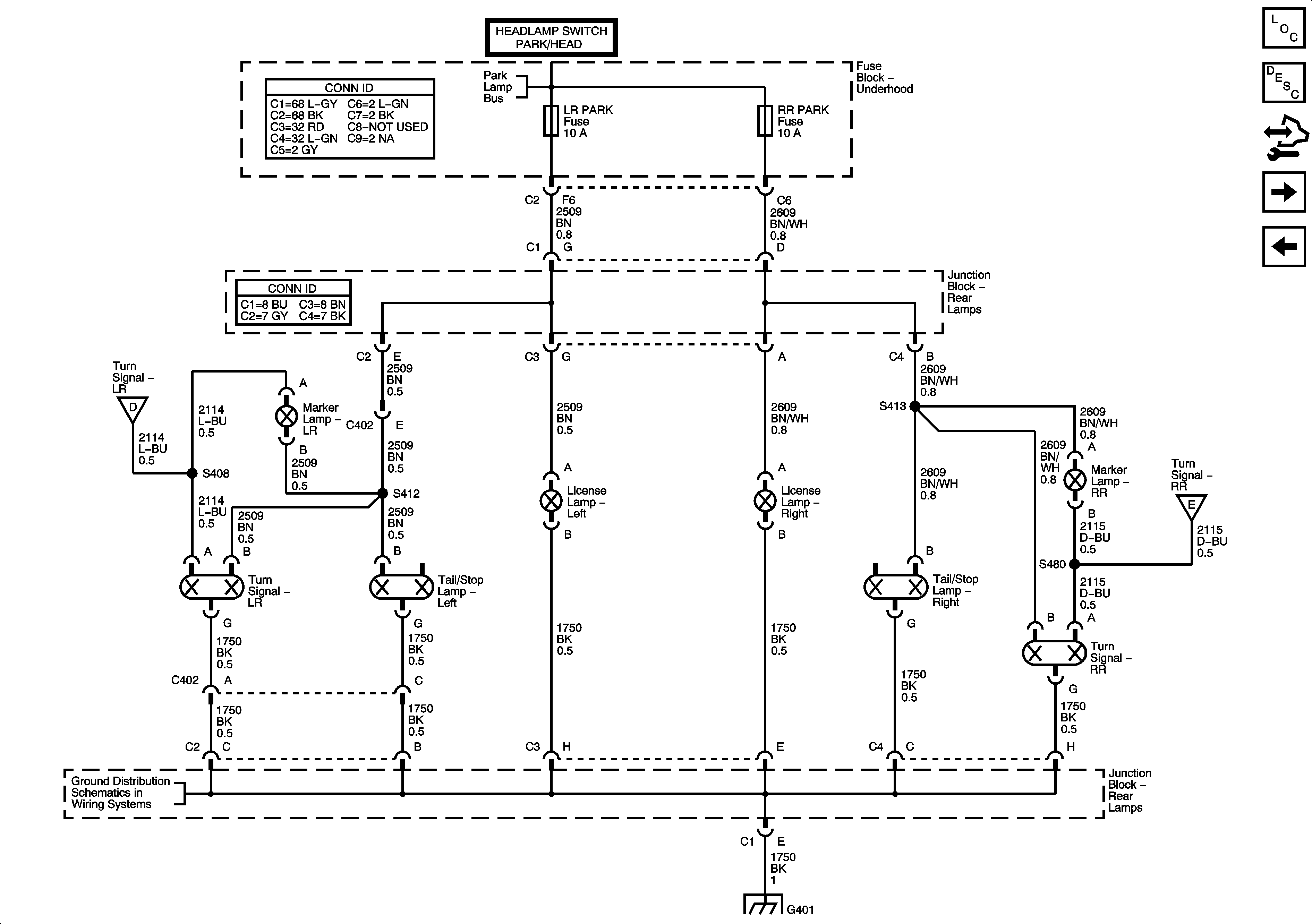
🢒 Rear Park Lamps - w/Z75
Rear Park Lamps - w/Z75
Rear Park - w/Z75
Master Electrical Component List
Master Electrical Component List
Exterior Lighting Systems Description and Operation
Control Module References
License Lamps - w/NYS
Rear Park Lamps - w/o Z75
LR PARK and RR PARK Fuses
Right Turn Signals - w/o VD1
G401 and G402
Left Turn Signals - w/o VD1
G401 and G402