GM Service Manual Online
For 1990-2009 cars only
Makes
🢒
Cadillac
🢒
2006
🢒
Escalade EXT
🢒
Body
🢒
Roof
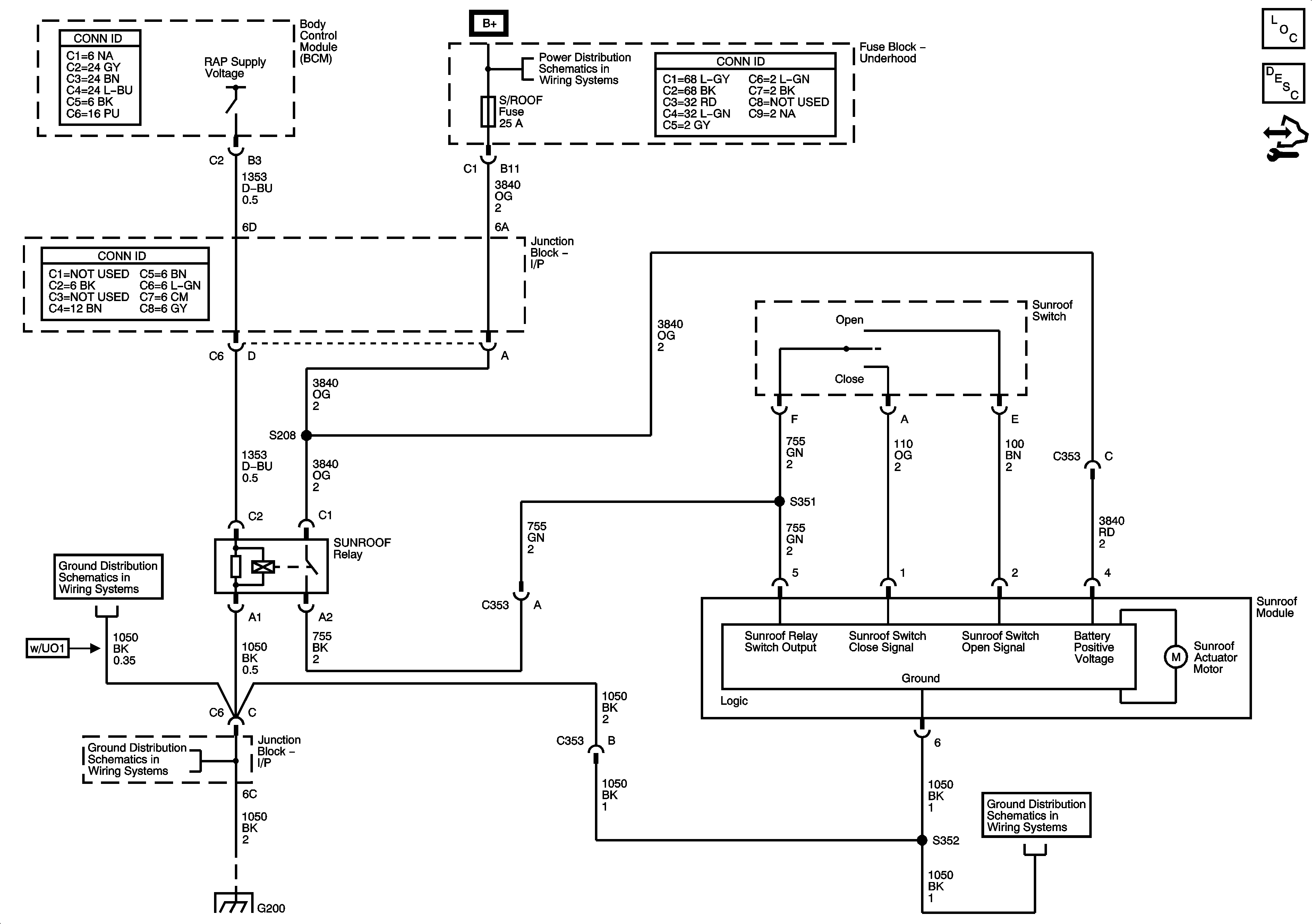
🢒 Sunroof Schematics
Master Electrical Component List
Sunroof Description and Operation
Control Module References
RADIO, RADIO AMP, and S/ROOF Fuses
G200 1 of 3
G200 1 of 3
G200 1 of 3
G200 1 of 3