GM Service Manual Online
For 1990-2009 cars only
Makes
🢒
Cadillac
🢒
2006
🢒
Escalade EXT
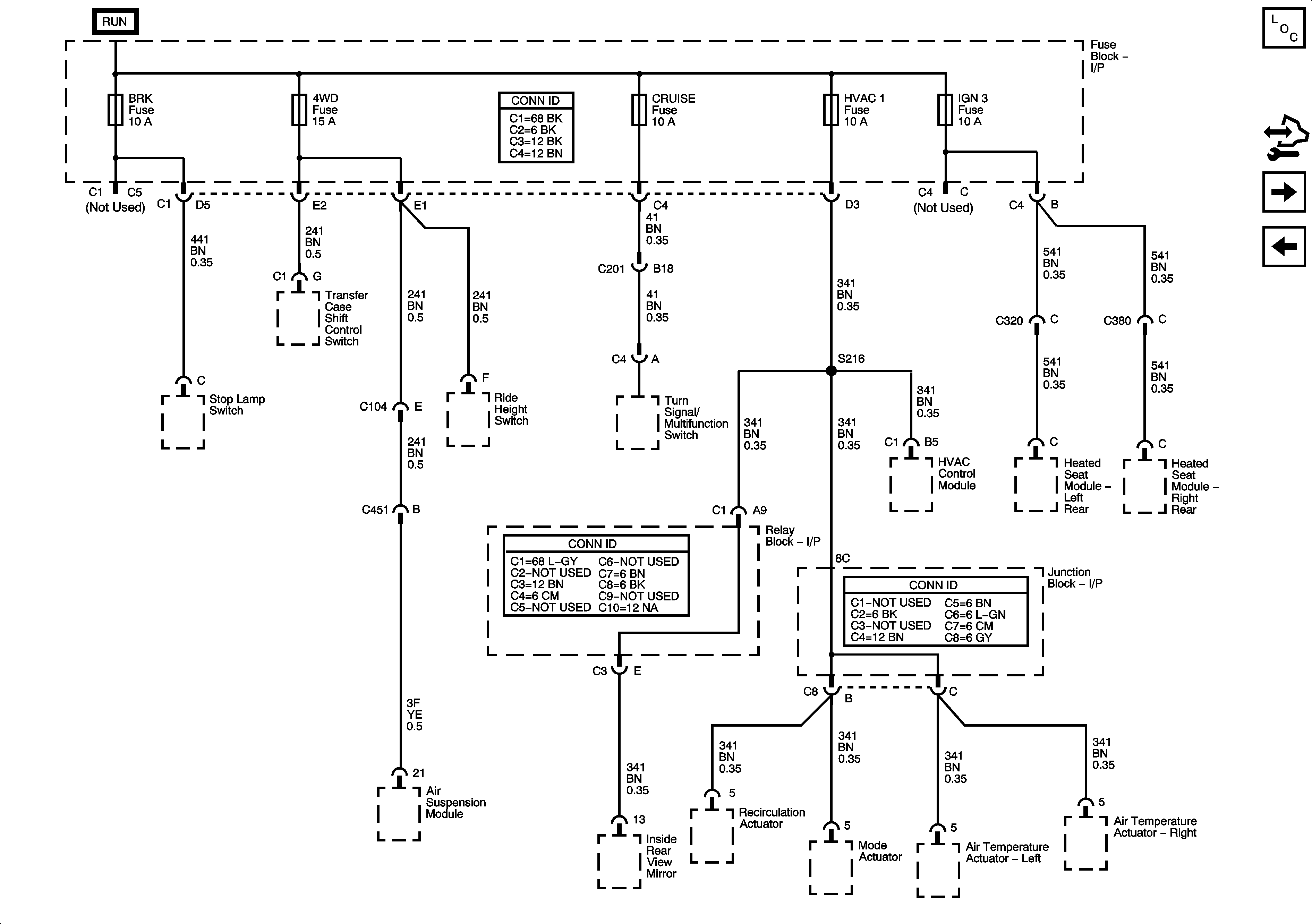
🢒 4WD, BRAKE, CRUISE, HVAC 1, and IGN 3 Fuses
4WD, BRAKE, CRUISE, HVAC 1, and IGN 3 Fuses
4WD, BRAKE, CRUISE, HVAC 1, and IGN 3 Fuses
Master Electrical Component List
Control Module References
FLASH, LT TRLR, LT TURN, RT TRLR, and RT TURN Fuses
IGN 0, RR WPR, SEO ACCY, TBC ACCY, TBC IGN 0, and WS WPR Fuses
Ignition Switch - ACCY/RUN/START, RUN and START Bus Bars, and CRANK and IGN A Fuses