GM Service Manual Online
For 1990-2009 cars only
Makes
🢒
Cadillac
🢒
2006
🢒
Escalade EXT
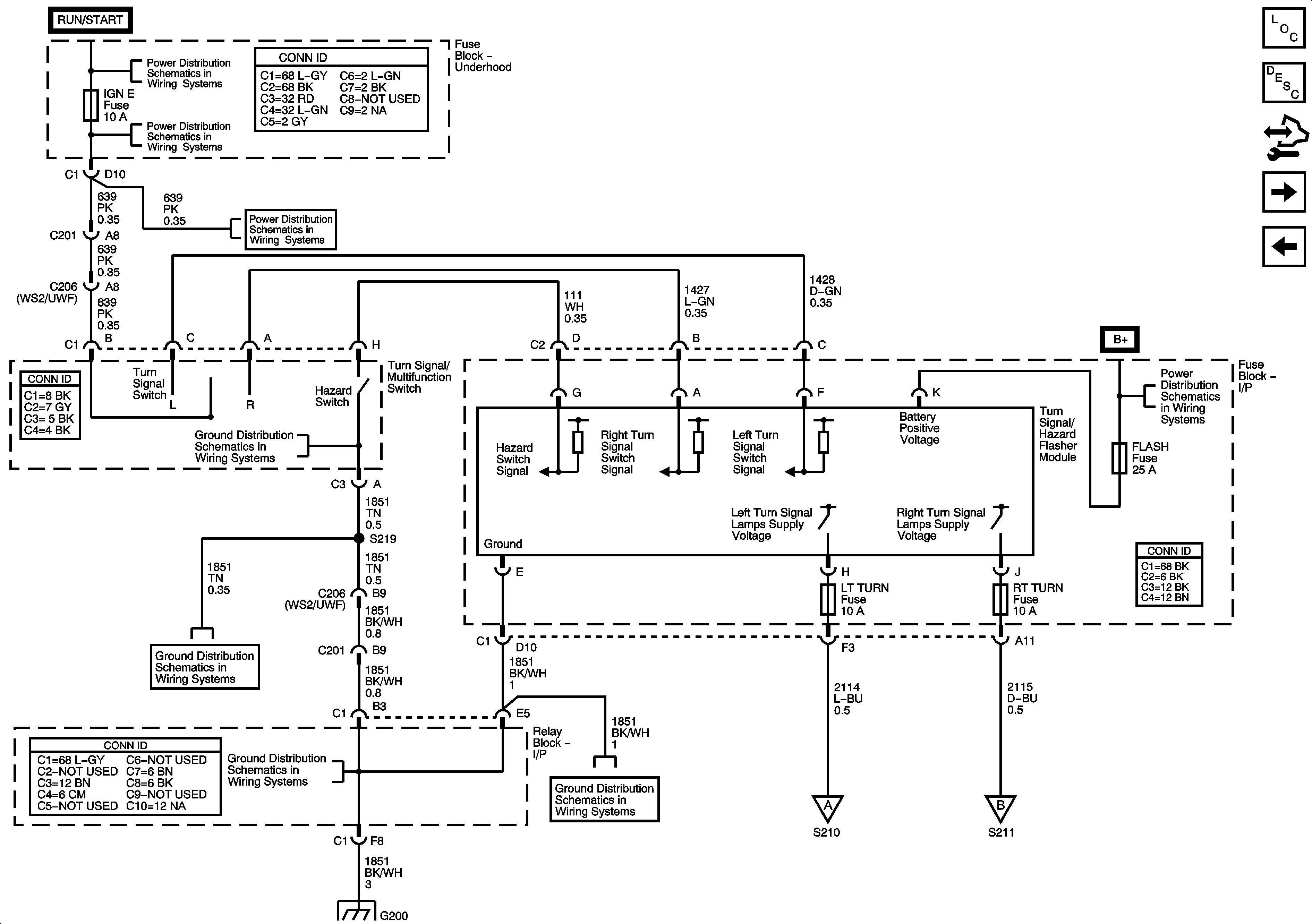
🢒 Turn Signal/Hazard Switch and Flasher Module
Turn Signal/Hazard Switch and Flasher Module
Turn Signal/Hazard Switch and Flasher Module
Master Electrical Component List
Exterior Lighting Systems Description and Operation
Control Module References
Marker Lamps and Front Turn Signal Lamps
Roof Lamps - Rear
AIR BAG, IGN E, and SEO IGN Fuses
AIR BAG, IGN E, and SEO IGN Fuses
AIR BAG, IGN E, and SEO IGN Fuses
G200
B+ Bus
B+ Bus
G200
G200
G200
Marker Lamps and Front Turn Signal Lamps
Marker Lamps and Front Turn Signal Lamps
G200