GM Service Manual Online
For 1990-2009 cars only
Makes
🢒
Cadillac
🢒
2006
🢒
Escalade EXT
🢒 Ignition System
Ignition System
Ignition System
Master Electrical Component List
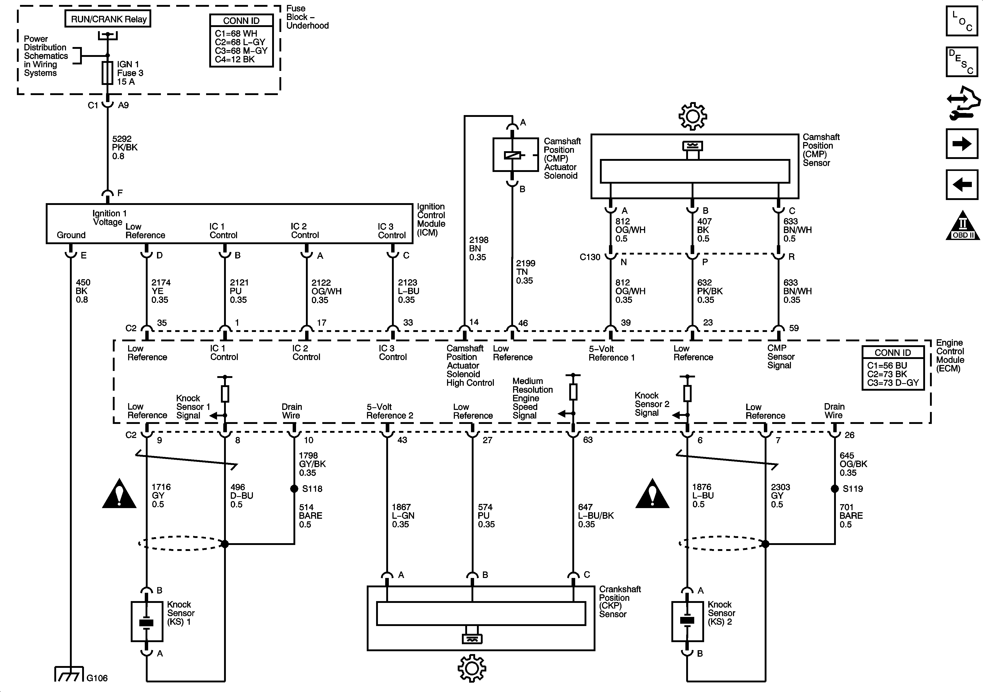
Electronic Ignition (EI) System Description
Control Module References
Fuel Injectors and Fuel Pump
Electronic Throttle Controls
Engine Controls Schematic Icons
Underhood Fuse Block RUN/CRANK Relay, ABS, IGN 1, INJ, PCM IGN 1 and TRANS Fuses
G106
Engine Controls Schematic Icons
Engine Controls Schematic Icons