GM Service Manual Online
For 1990-2009 cars only
Makes
🢒
Cadillac
🢒
2006
🢒
Escalade EXT
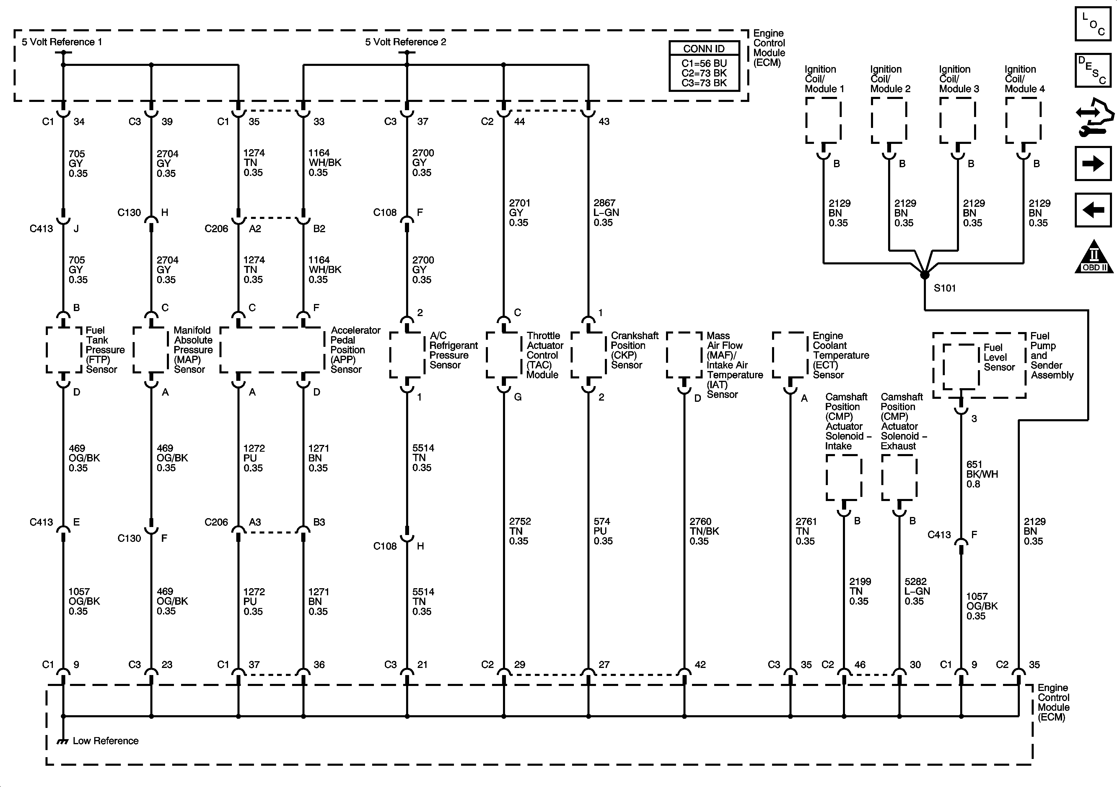
🢒 5-Volt and Low References
5-Volt and Low References
5-Volt and Low References
Master Electrical Component List
Engine Control Module Description
Control Module References
MAF, VSS and Extended Brake Travel Switch
DLC, Ground, MIL and Power
Engine Controls Schematic Icons