GM Service Manual Online
For 1990-2009 cars only
Makes
🢒
Cadillac
🢒
2006
🢒
Escalade EXT
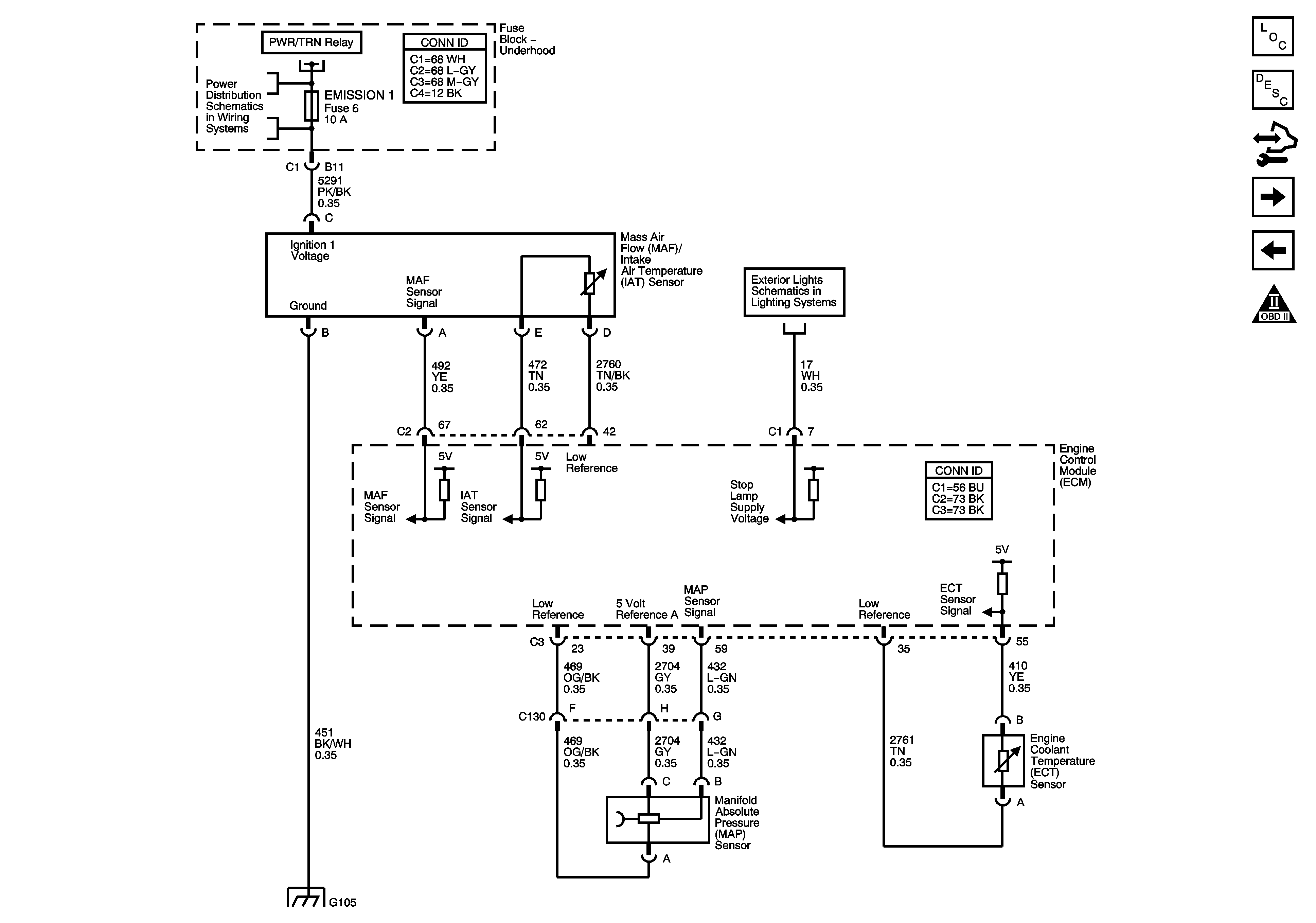
🢒 MAF, VSS and Extended Brake Travel Switch
MAF, VSS and Extended Brake Travel Switch
MAF, VSS and Extended Brake Travel Switch
Master Electrical Component List
Engine Control Module Description
Control Module References
Heated Oxygen Sensors
5-Volt and Low References
Engine Controls Schematic Icons
Underhood Fuse Block A/C CLUTCH Relay, PWR/TRN Relay, A/C CLU, EMISSION 1, ETC, IGN MOD and IMTV/DOD Fuses
DLC, Ground, MIL and Power
Turn Signals and Stop Lamps
G103, G104 and G105