GM Service Manual Online
For 1990-2009 cars only

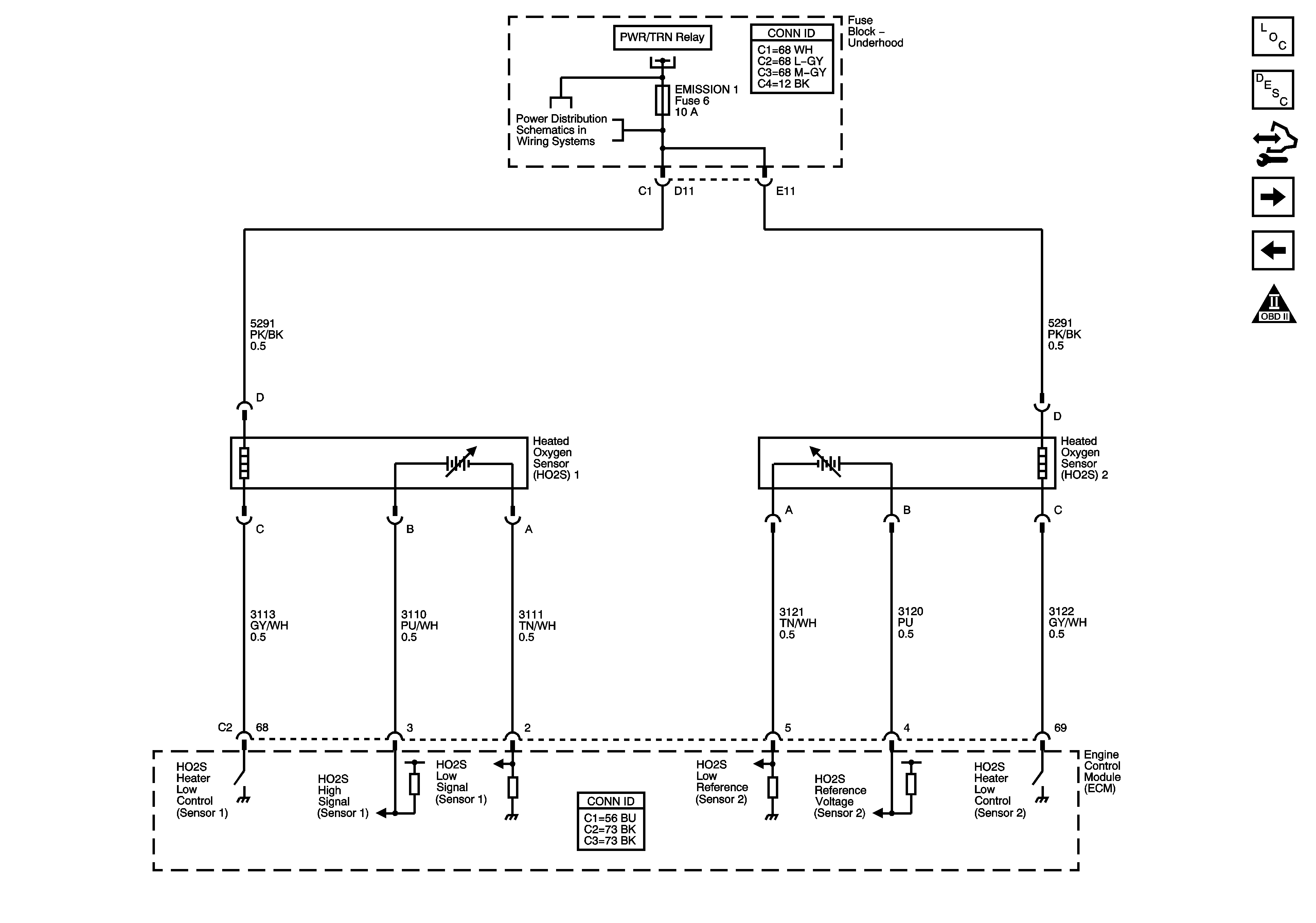
Heated Oxygen Sensors

Heated Oxygen Sensors


Object Number: 1573840  Size: FS
Master Electrical Component List
Engine Control Module Description
Control Module References
Electronic Throttle Controls
MAF, VSS and Extended Brake Travel Switch
Engine Controls Schematic Icons
Underhood Fuse Block A/C CLUTCH Relay, PWR/TRN Relay, A/C CLU, EMISSION 1, ETC, IGN MOD and IMTV/DOD Fuses
DLC, Ground, MIL and Power