GM Service Manual Online
For 1990-2009 cars only
Makes
🢒
Cadillac
🢒
2006
🢒
Escalade EXT
🢒 Ignition Coils/Modules
Ignition Coils/Modules
Ignition Coils/Modules
Master Electrical Component List
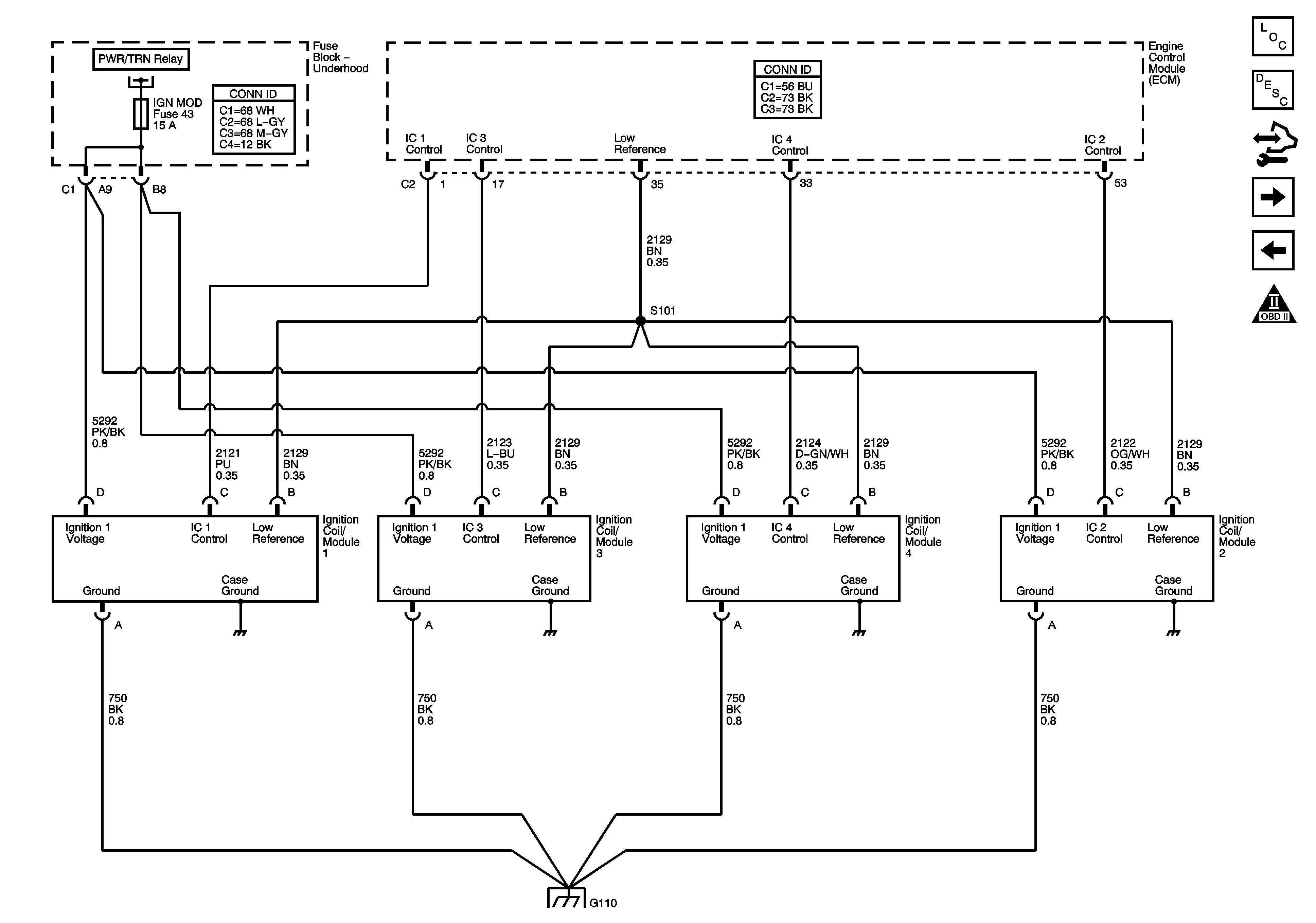
Electronic Ignition (EI) System Description
Control Module References
Ignition Sensors
Electronic Throttle Controls
Engine Controls Schematic Icons
DLC, Ground, MIL and Power
G110 (LE5)