GM Service Manual Online
For 1990-2009 cars only
Makes
🢒
Cadillac
🢒
2006
🢒
Escalade EXT
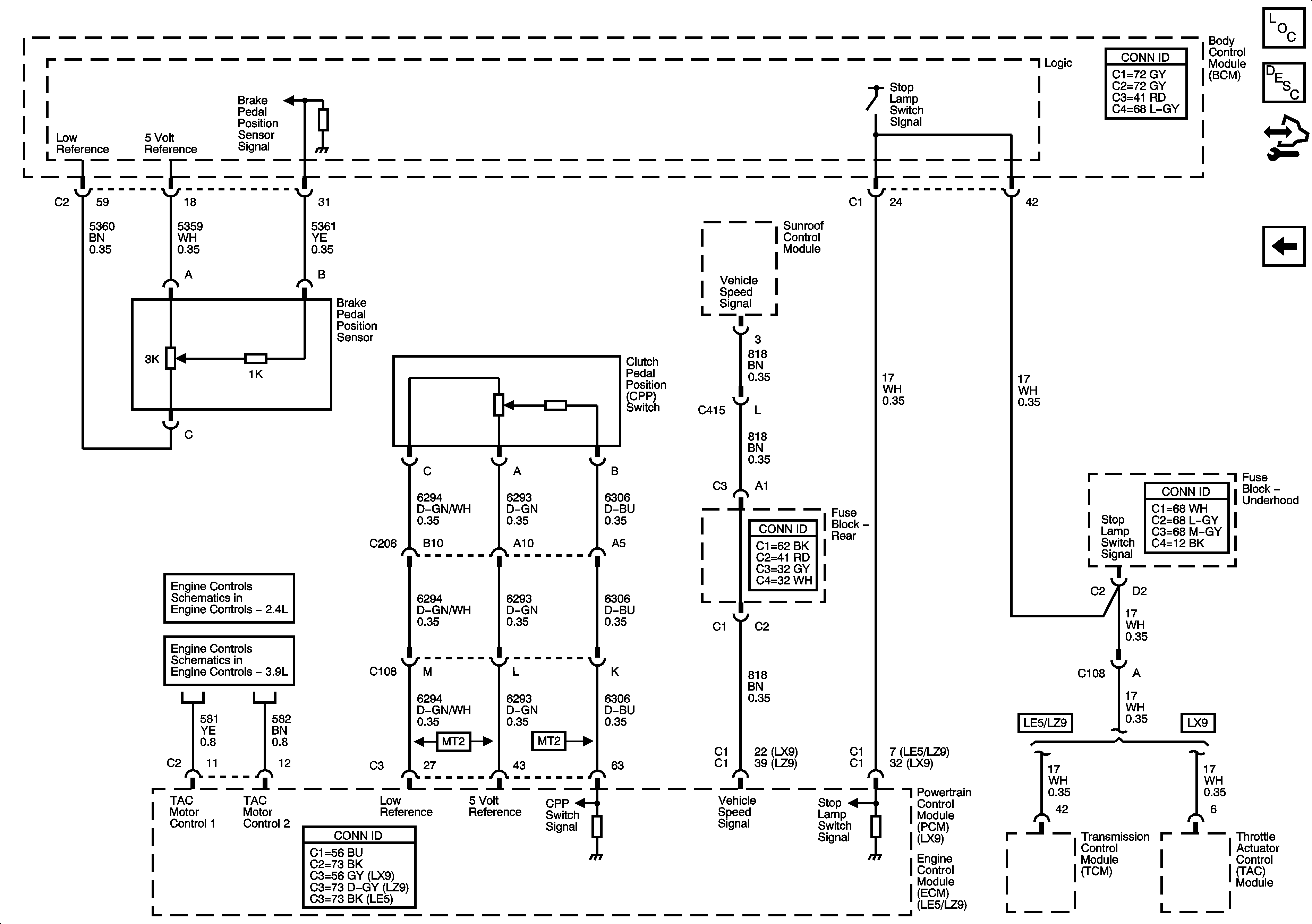
🢒 Brake Pedal Position Sensor, Clutch Pedal Position (CPP) Switch,and Stop Lamp Switch Signal
Brake Pedal Position Sensor, Clutch Pedal Position (CPP) Switch,and Stop Lamp Switch Signal
Brake Pedal Position Sensor, Clutch Pedal Position (CPP) Switch and Stop Lamp Switch Signal
Master Electrical Component List
Cruise Control Description and Operation (3.5L)
Control Module References
Steering Wheel Controls - 4 Spoke
Electronic Throttle Controls
Electronic Throttle Controls