GM Service Manual Online
For 1990-2009 cars only
Makes
🢒
Cadillac
🢒
2006
🢒
Escalade EXT
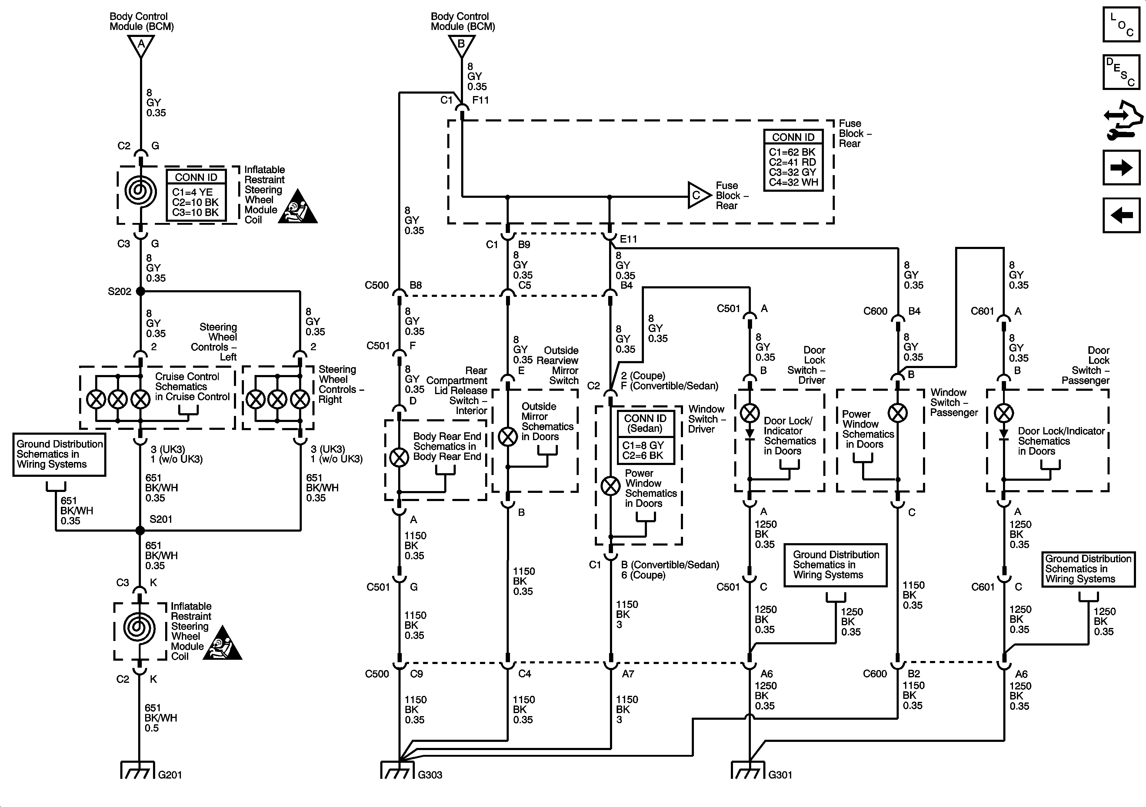
🢒 Steering Wheel and Doors
Steering Wheel and Doors
Steering Wheel and Doors
Master Electrical Component List
Interior Lighting Systems Description and Operation
Control Module References
Seats and Center Console
Dimmer Switch Inputs
Dimmer Switch Inputs
Lighting Systems Schematic Icons
Dimmer Switch Inputs
Seats and Center Console
G201
Switches, DLC and Indicator
Body Rear End Schematics
Outside Mirror Schematics
Window Motors - Coupe
Door Lock Switches
Window Motors - Coupe
G301
Window Motors - Coupe
Door Lock Switches
Lighting Systems Schematic Icons
G201
G303
G301