GM Service Manual Online
For 1990-2009 cars only
Makes
🢒
Cadillac
🢒
2006
🢒
Escalade EXT
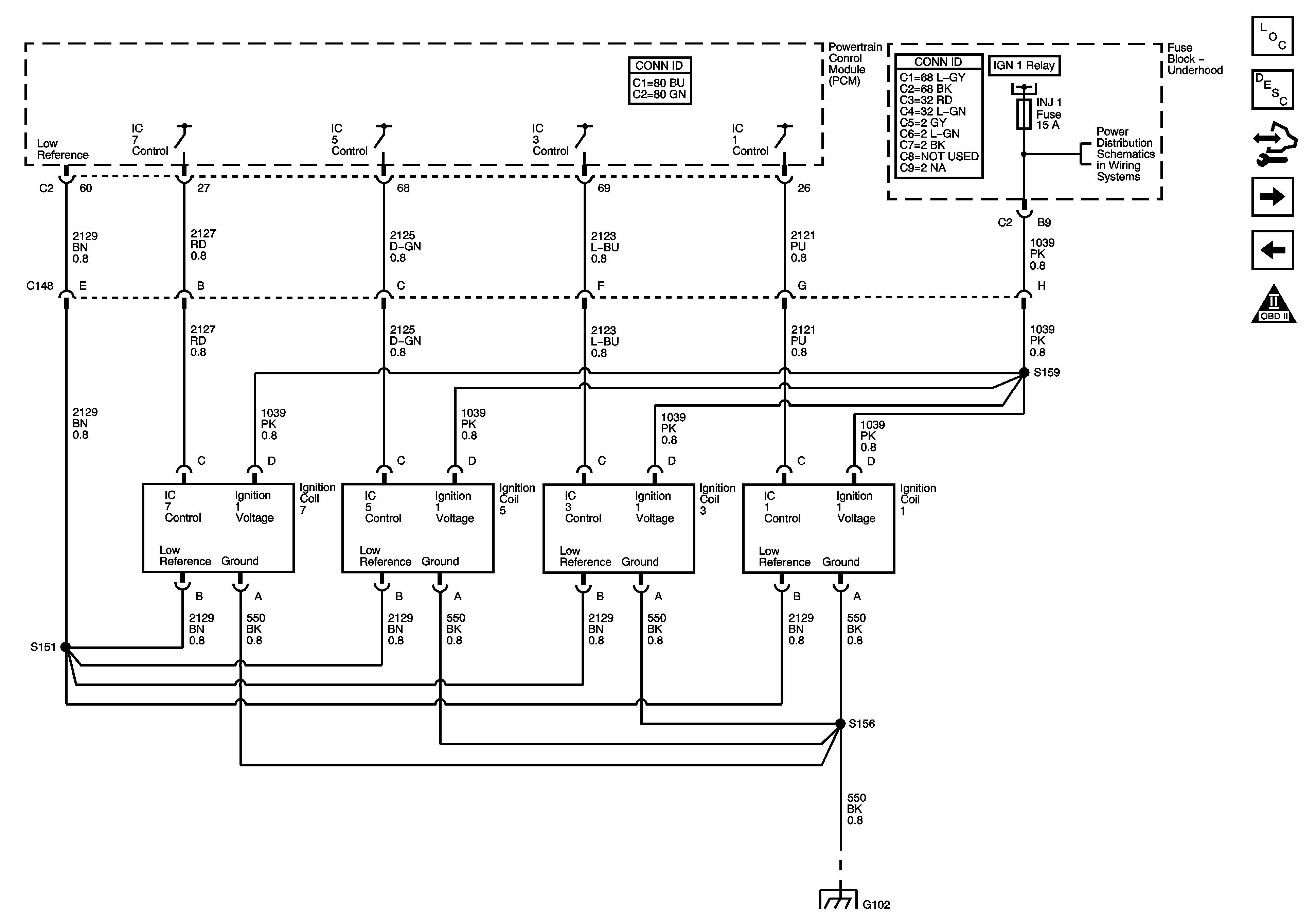
🢒 Ignition Controls - Ignition System Coils 1, 3, 5, and 7
Ignition Controls - Ignition System Coils 1, 3, 5, and 7
Ignition Controls - Ignition System Coils 1, 3, 5, and 7
Master Electrical Component List
Powertrain Control Module Description
Control Module References
Ignition Controls - Ignition System Coils 2, 4, 6, and 8
Engine Data Sensors - Electronic Throttle Control
Engine Controls Schematic Icons
Modular Power, Ground, Serial Data, and MIL
IGN 1 Relay Bus 1 of 2 ETC/ECM, PCM 1, and SBA Fuses; INJ 1 and INJ 2 Fuses - except L18
G102 and G103