GM Service Manual Online
For 1990-2009 cars only
Makes
🢒
Cadillac
🢒
2006
🢒
Escalade EXT
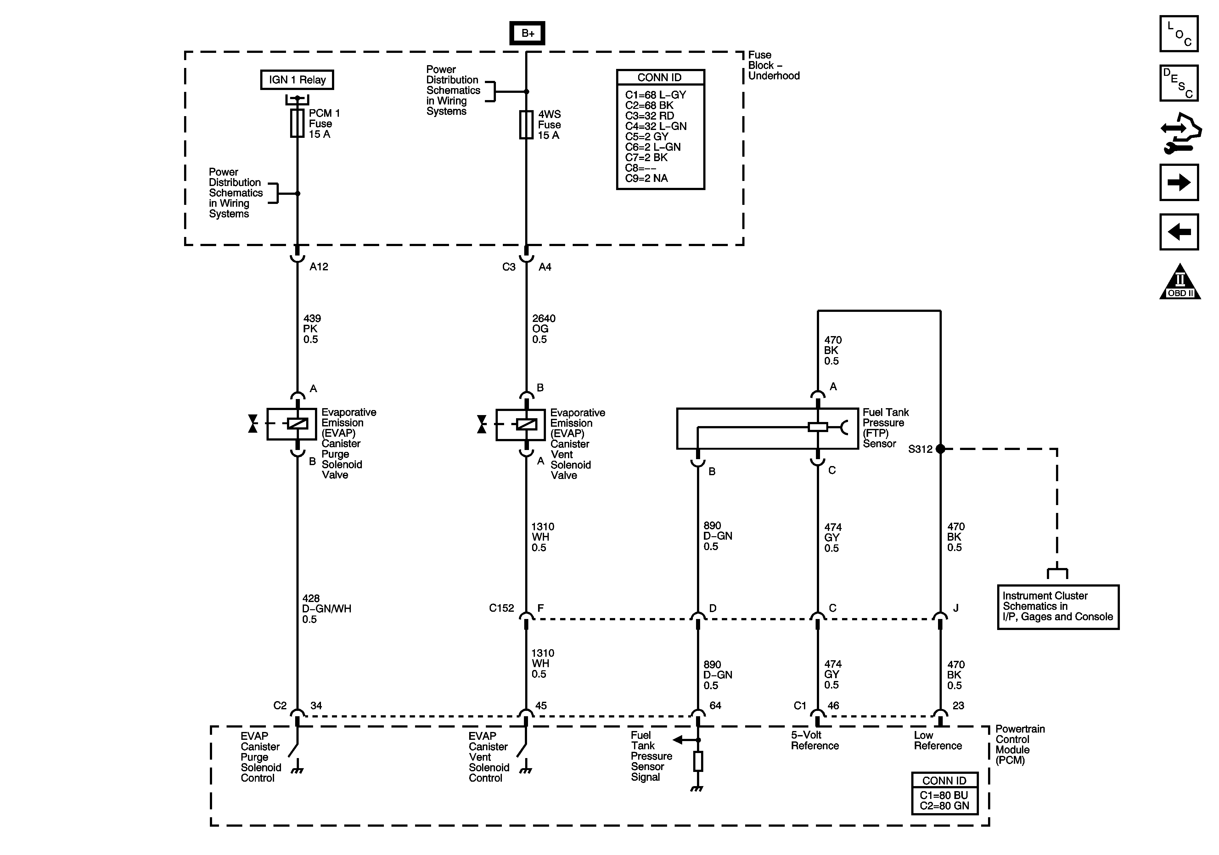
🢒 Fuel Controls - EVAP Controls
Fuel Controls - EVAP Controls
Fuel Controls - EVAP Controls
Master Electrical Component List
Powertrain Control Module Description
Control Module References
Transmission and Controlled/Monitored Subsystem References
Fuel Controls - Fuel Injectors
Engine Controls Schematic Icons
Modular Power, Ground, Serial Data, and MIL
IGN 1 Relay Bus 1 of 2 ETC/ECM, PCM 1, and SBA Fuses; INJ 1 and INJ 2 Fuses - except L18
B+ Bus - 1 of 2
Gages