GM Service Manual Online
For 1990-2009 cars only
Makes
🢒
Cadillac
🢒
2006
🢒
Escalade EXT
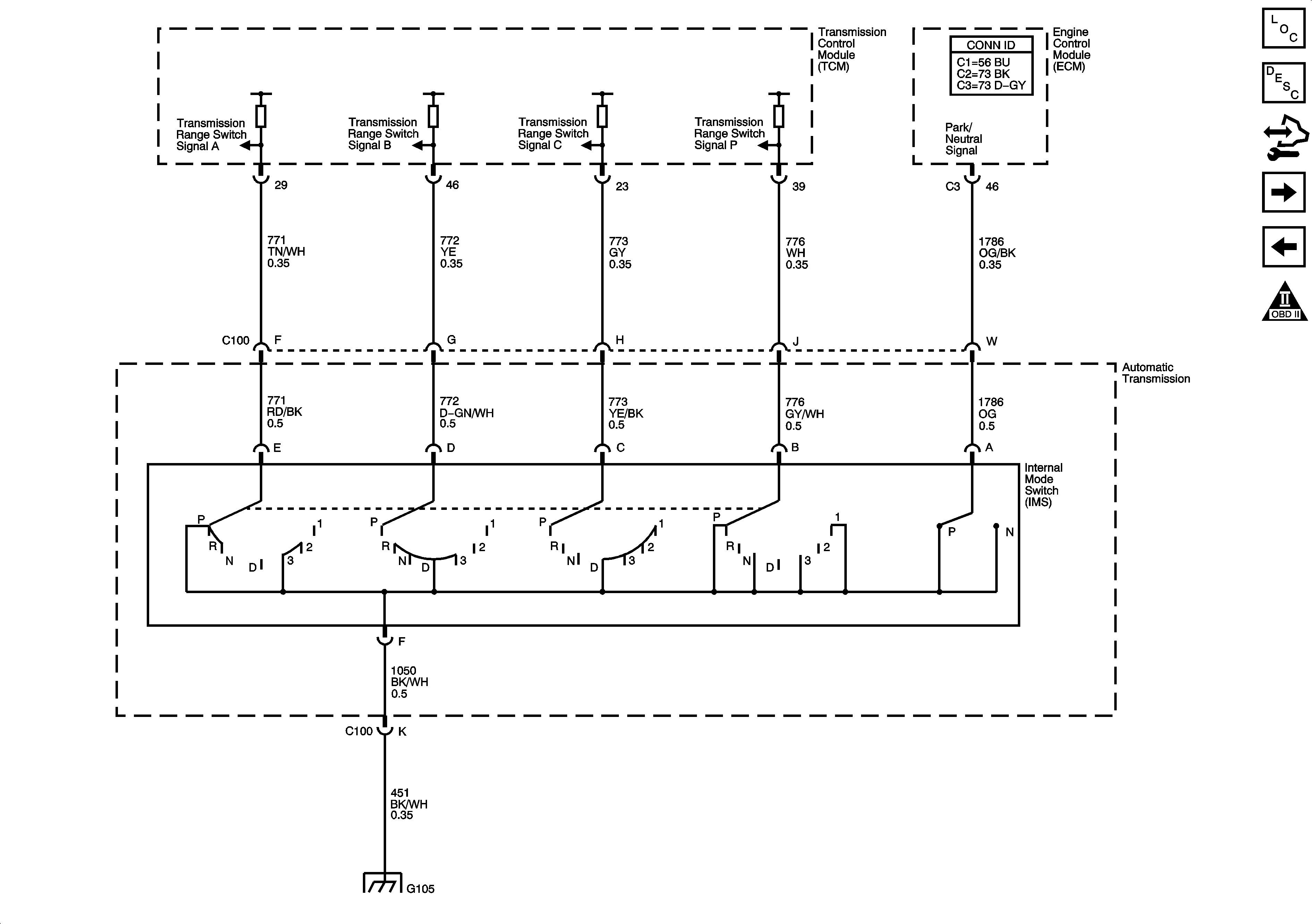
🢒 Internal Mode Switch (IMS)
Internal Mode Switch (IMS)
Internal Mode Switch (IMS)
Master Electrical Component List
Transmission Component and System Description
Control Module References
Tap Up/Tap Down Switch
ISS, Pressure Control and VSS
Automatic Transmission Schematic Icons
G103, G104 and G105