GM Service Manual Online
For 1990-2009 cars only
Makes
🢒
Cadillac
🢒
2006
🢒
Escalade EXT
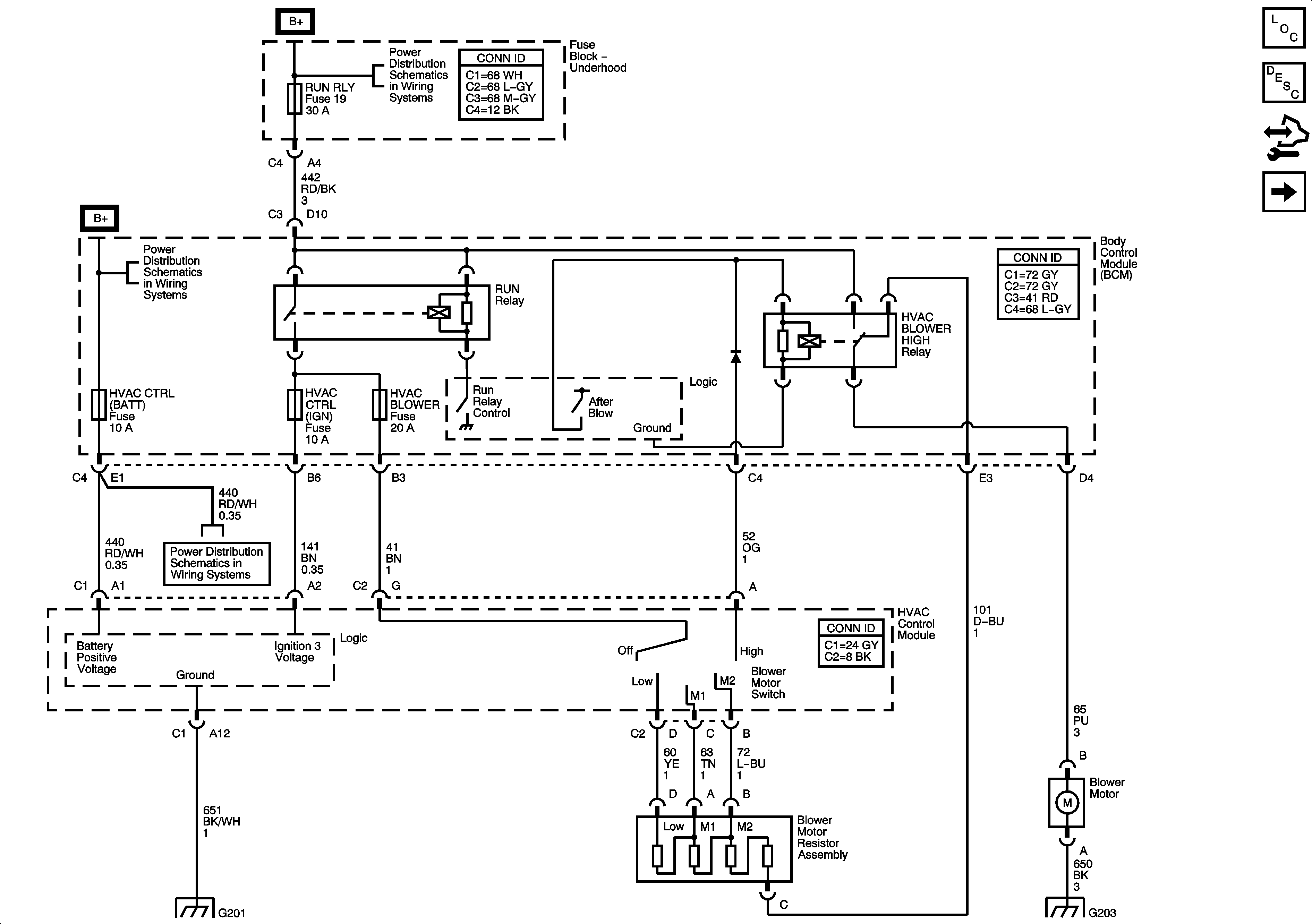
🢒 Blower Motor Controls, Ground and Power
Blower Motor Controls, Ground and Power
Blower Motor Controls, Ground and Power
Master Electrical Component List
Air Temperature Description and Operation
Control Module References
Ambient Air Temperature Sensor and Compressor Controls
Underhood Fuse Block - B+
Underhood Fuse Block IBCM 1, Body Control Module (BCM), AIRBAG (BATT), CLUSTER/THEFT, HVAC CTRL (BATT), IGN SENSOR and RADIO Fuses
Underhood Fuse Block IBCM 1, Body Control Module (BCM), AIRBAG (BATT), CLUSTER/THEFT, HVAC CTRL (BATT), IGN SENSOR and RADIO Fuses
G201
G203