GM Service Manual Online
For 1990-2009 cars only
Makes
🢒
Cadillac
🢒
2006
🢒
Escalade EXT
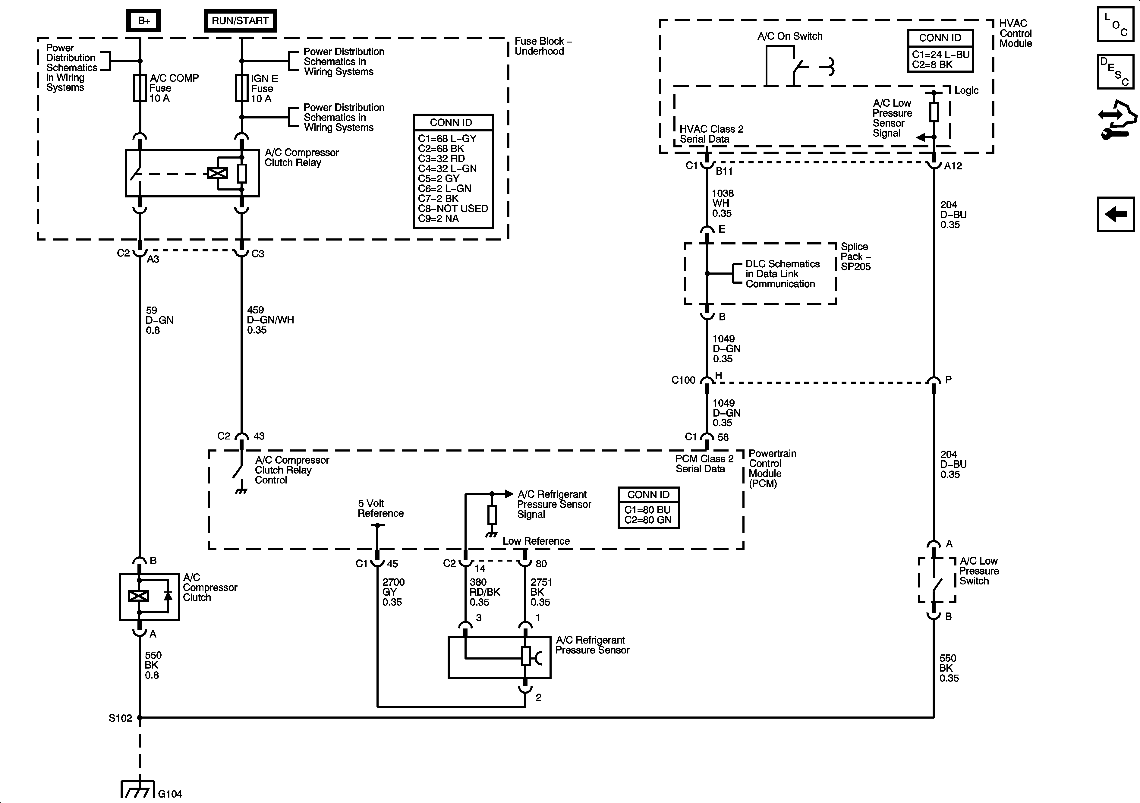
🢒 A/C Compressor Controls
A/C Compressor Controls
A/C Compressor Controls
Master Electrical Component List
Air Delivery Description and Operation
Control Module References
Auxiliary HVAC Controls, Short Wheelbase - 2 of 2
B+ Bus - 1 of 2
Ignition Switch - ACCY/RUN, and RUN/START Busses, and IGN B Fuses
AIRBAG and IGN E Fuses
Power, Ground, DLC and Splice Pack SP205
G104 and G107