GM Service Manual Online
For 1990-2009 cars only
Makes
🢒
Cadillac
🢒
2006
🢒
Escalade EXT
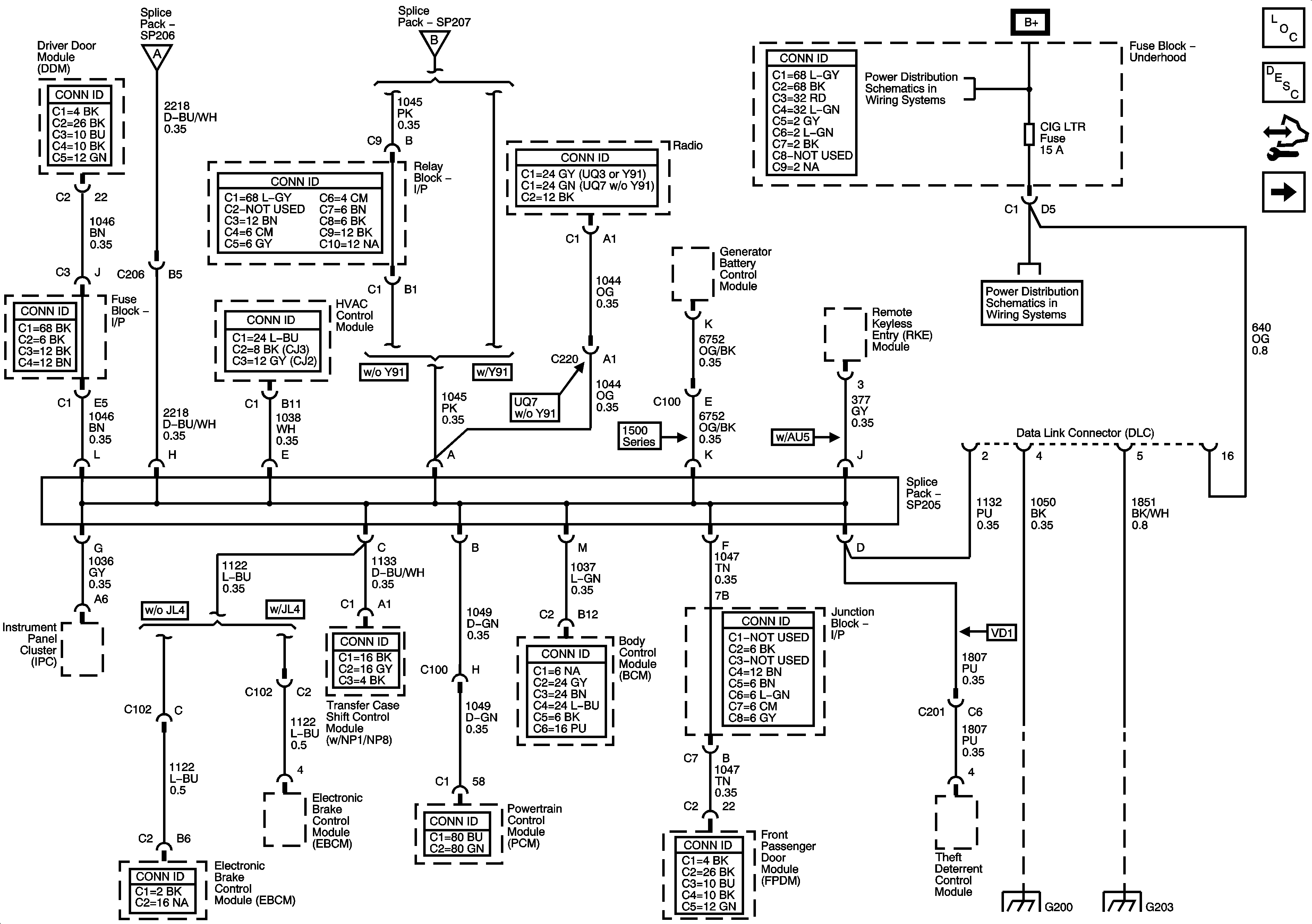
🢒 Power, Ground, DLC and Splice Pack SP205
Power, Ground, DLC and Splice Pack SP205
Power, Ground, DLC, and Splice Pack SP205
Master Electrical Component List
Data Link Communications Description and Operation
Control Module References
DLC SP206
DLC SP206
SP207
B+ Bus - 1 of 2
CIG LTR, EAP, and INFO Fuses
G203 1 of 3
G200 1 of 3