GM Service Manual Online
For 1990-2009 cars only
Makes
🢒
Cadillac
🢒
2006
🢒
Escalade EXT
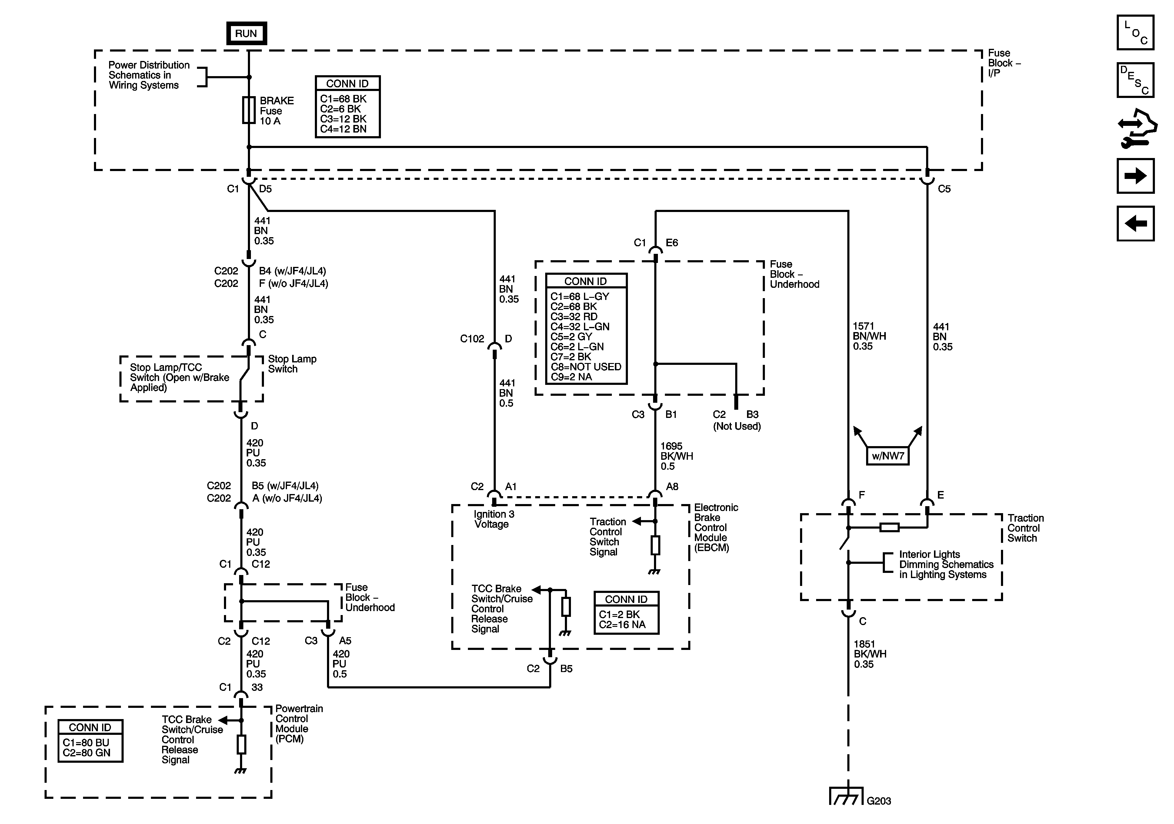
🢒 Stop Lamp Switch and Traction Control Switch - w/o JL4
Stop Lamp Switch and Traction Control Switch - w/o JL4
Stop Lamp Switch and Traction Control Switch -- w/o JL4
Master Electrical Component List
ABS Description and Operation (W/O JL4)
Control Module References
Power, Ground, Serial Data, and Stop Lamp Switch - w/ JL4
Power, Ground, Serial Data, and Wheel Speed Sensors - w/o JL4
Ignition Switch - ACCY/RUN/START, RUN, and START Busses, IGN A and CRANK Fuses
I/P Dimming Supply Voltage - 5 of 8
G203 1 of 3