GM Service Manual Online
For 1990-2009 cars only
Makes
🢒
Cadillac
🢒
2006
🢒
Escalade EXT
🢒 Charging - 2500 Series
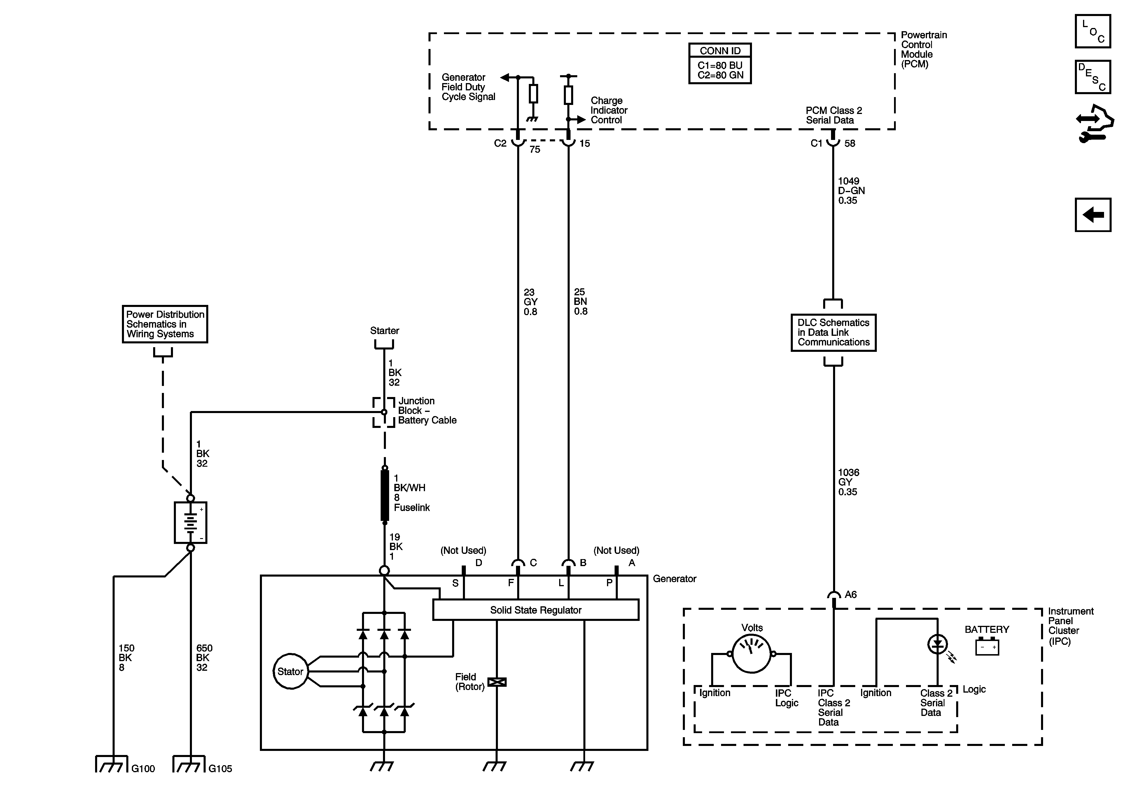
Charging - 2500 Series
Charging - 2500 Series
Master Electrical Component List
Charging System Description and Operation (Generator/Battery Control Module)
Control Module References
Charging - 1500 Series
B+ Bus - 1 of 2
Starting
Power, Ground, DLC and Splice Pack SP205
G100, G105 1 of 4