GM Service Manual Online
For 1990-2009 cars only
Makes
🢒
Cadillac
🢒
2006
🢒
Escalade EXT
🢒 Interior Park
Interior Park
Interior Park
Master Electrical Component List
Exterior Lighting Systems Description and Operation
Control Module References
Rear Park Lamps - w/o Z75
Front Park Lamps - w/ VD1
LR PARK and RR PARK Fuses
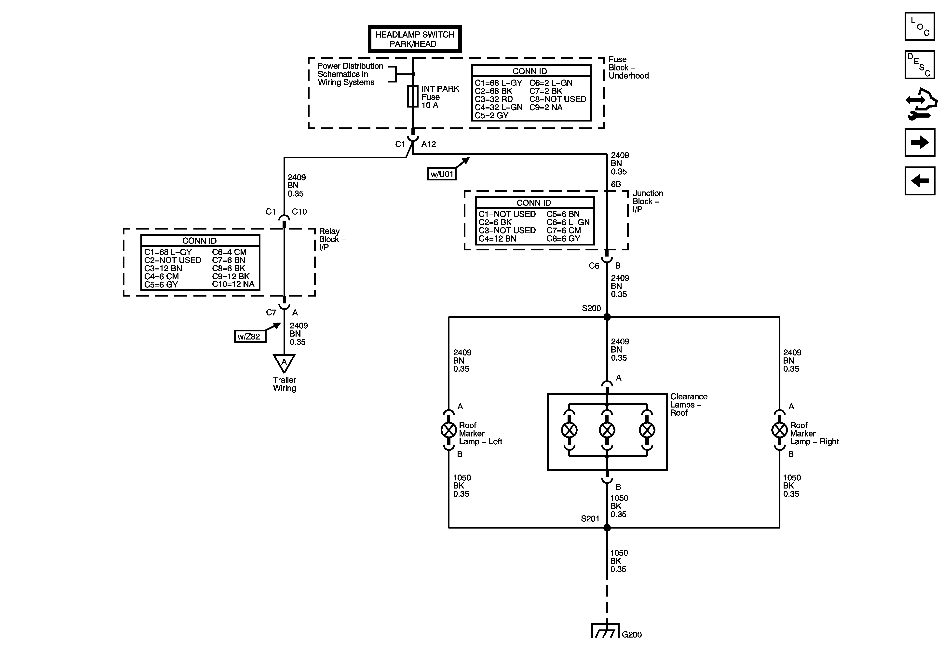
Trailer Wiring
G200 1 of 3