GM Service Manual Online
For 1990-2009 cars only
Makes
🢒
Cadillac
🢒
2006
🢒
Escalade EXT
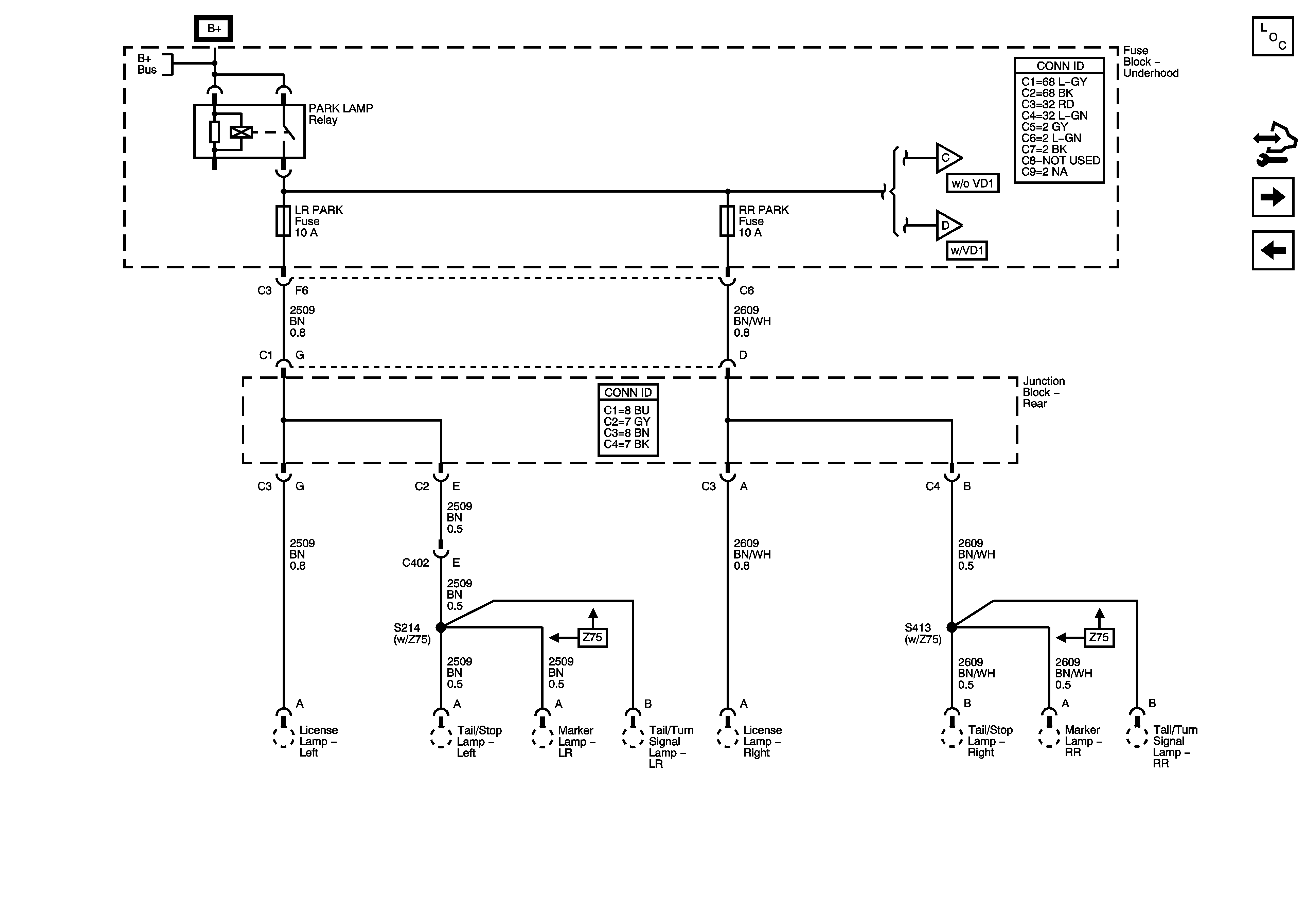
🢒 LR PARK and RR PARK Fuses
LR PARK and RR PARK Fuses
LR PARK and RR PARK Fuses
Master Electrical Component List
Control Module References
FRT PARK, INT PARK, and TRL PARK Fuses - except VD1
HI HDLP LT, HI HDLP RT, HORN, LO HDLP LT, and LO HDLP RT Fuses
B+ Bus - 1 of 2
FRT PARK, INT PARK, and TRL PARK Fuses - except VD1
FRT PARK, DRL, INT PARK, and TRL PARK Fuses - w/ VD1