GM Service Manual Online
For 1990-2009 cars only
Makes
🢒
Cadillac
🢒
2006
🢒
Escalade EXT
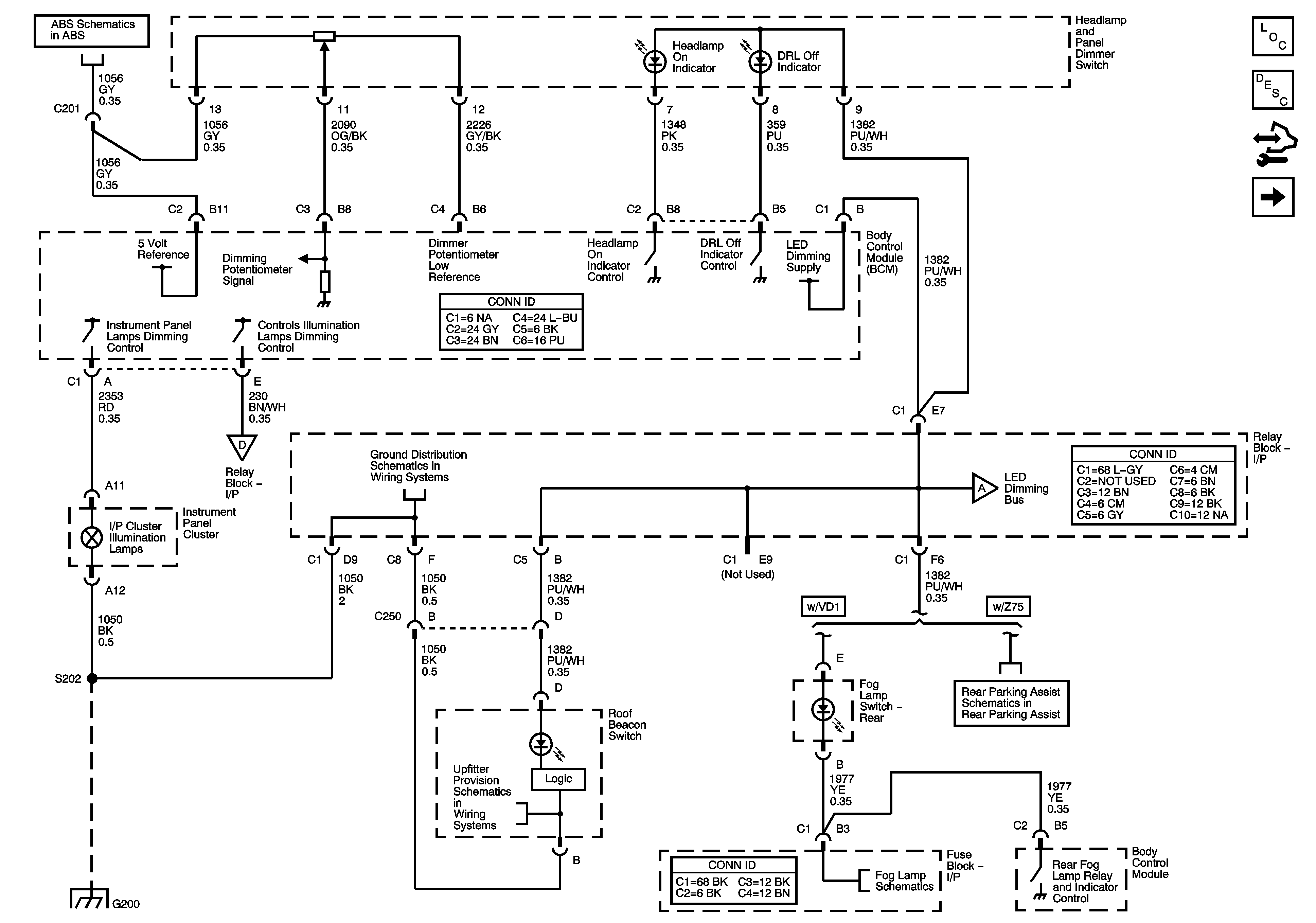
🢒 Dimming Control and LED Dimming Supply Voltage - 1 of 2
Dimming Control and LED Dimming Supply Voltage - 1 of 2
Dimming Control and LED Dimming Supply Voltage 1 of 2
Master Electrical Component List
Interior Lighting Systems Description and Operation
Control Module References
Dimming Control and LED Dimming Supply Voltage - 2 of 2
Steering Wheel Speed/Position Sensor Inputs - w/ JL4
G200 1 of 3
I/P Dimming Supply Voltage - 1 of 8
G200 3 of 3
Roof Beacon Wiring - 5G4
Rear - w/ VD1
Rear Object Sensor Control Module, RPA Display, and RPA Disable Switch - Escalade except EXT
Dimming Control and LED Dimming Supply Voltage - 2 of 2