GM Service Manual Online
For 1990-2009 cars only
Makes
🢒
Cadillac
🢒
2006
🢒
Escalade EXT
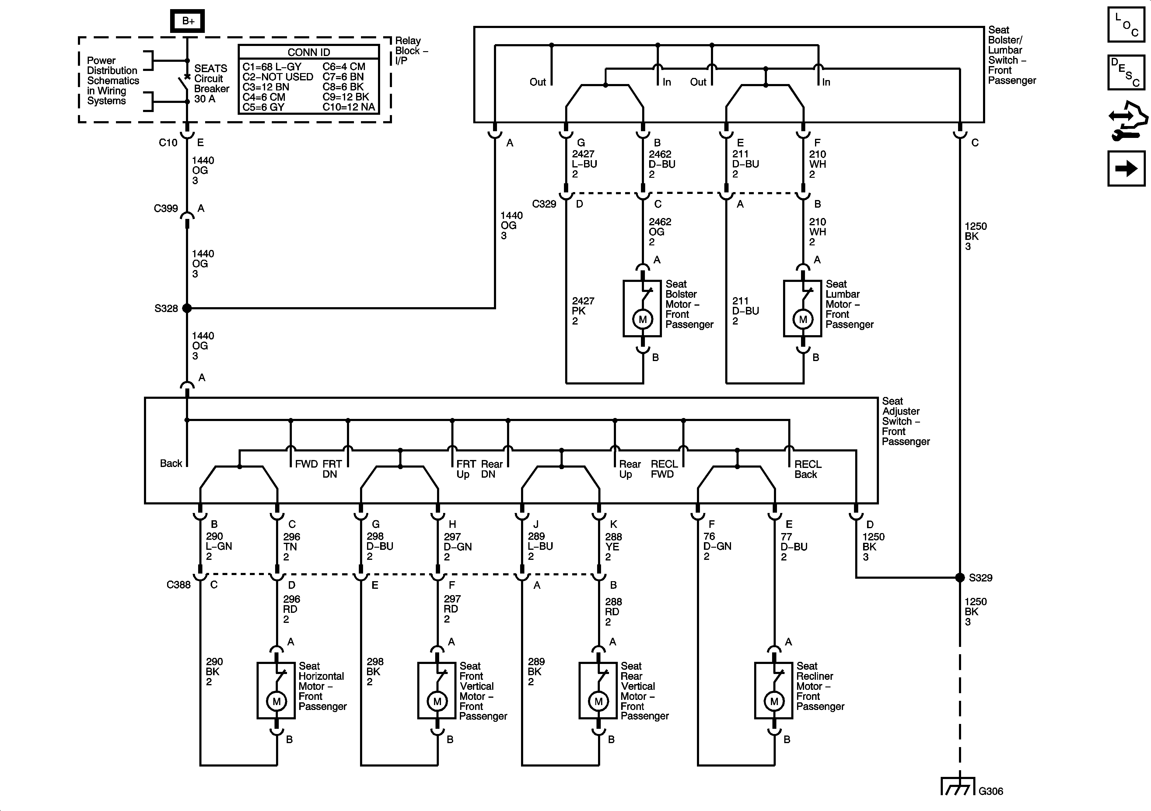
🢒 Front Passenger Seat Controls - AN3
Front Passenger Seat Controls - AN3
Front Seat Controls (AN3)
Master Electrical Component List
Lumbar Support Description and Operation
Control Module References
Heated Seat Controls - Front Passenger
ABS, MBEC 1, RTD, STUD 2, VSES/ECAS Fuses; RT DOORS, and SEATS Circuit Breakers
G306