GM Service Manual Online
For 1990-2009 cars only
Makes
🢒
Cadillac
🢒
2006
🢒
Escalade EXT
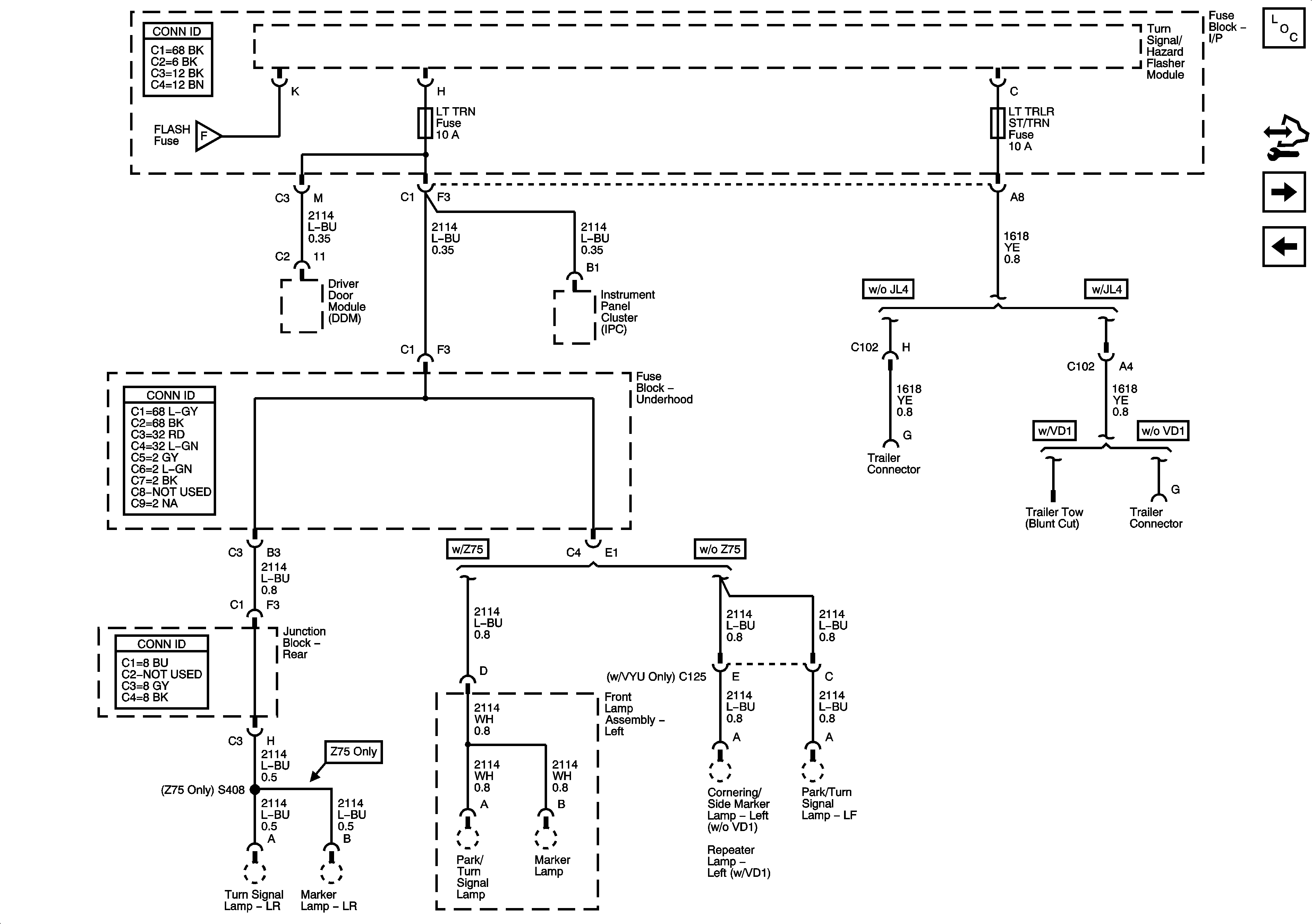
🢒 LT TRN and LT TRLR ST/TRN Fuses
LT TRN and LT TRLR ST/TRN Fuses
LT TRLR, LT TRN, RT TRLR, and RT TRN Fuses
Master Electrical Component List
Control Module References
2006 RT TRN and RT TRLR ST/TRN Fuses
IGN 1 Relay Bus 2 of 2 INJ 2 Fuses - L18