GM Service Manual Online
For 1990-2009 cars only
Makes
🢒
Cadillac
🢒
2006
🢒
Escalade EXT
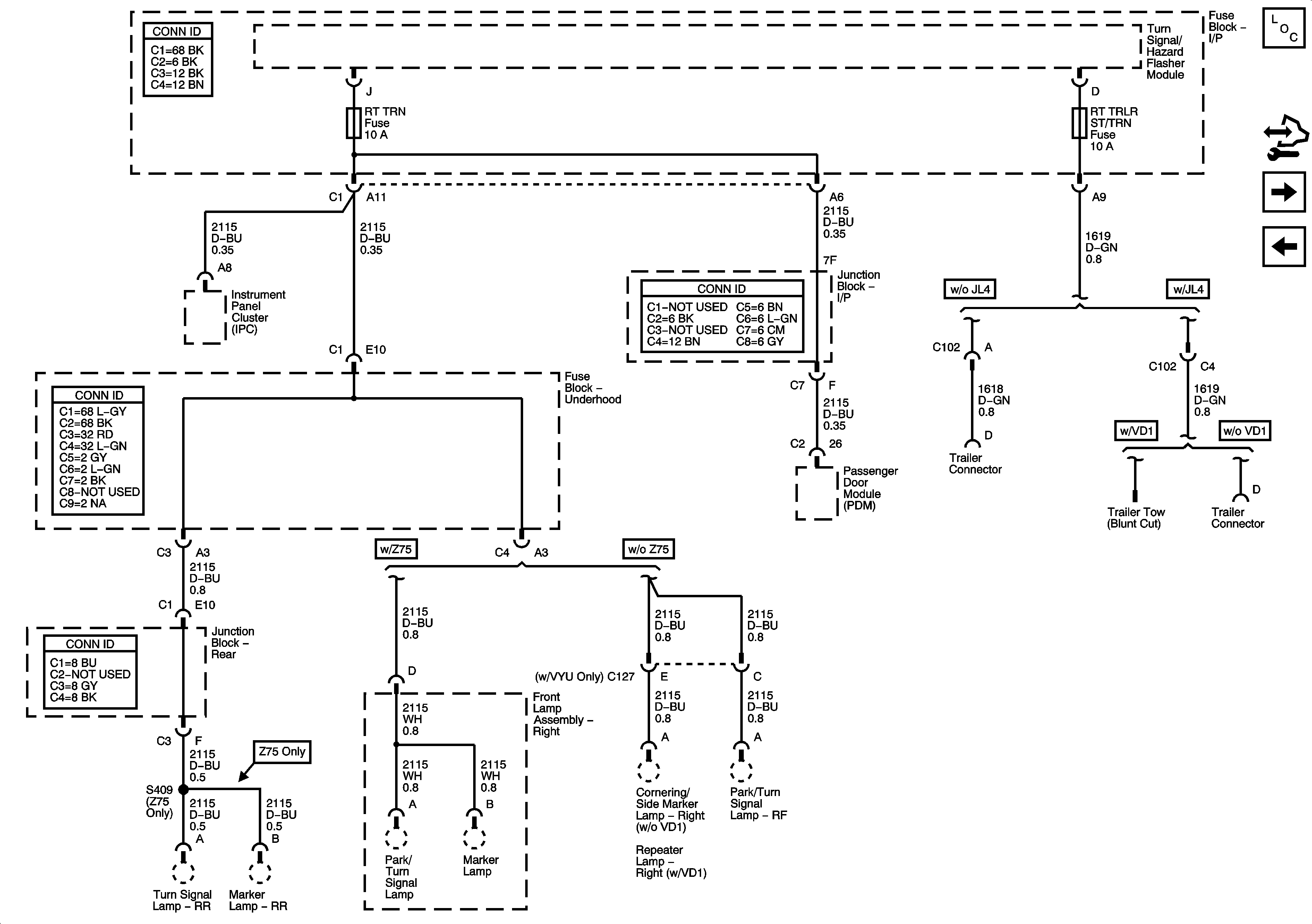
🢒 2006 RT TRN and RT TRLR ST/TRN Fuses
2006 RT TRN and RT TRLR ST/TRN Fuses
RT TRN and RT TRLR ST/TRN Fuses
Master Electrical Component List
Control Module References
HI HDLP LT, HI HDLP RT, HORN, LO HDLP LT, and LO HDLP RT Fuses
LT TRN and LT TRLR ST/TRN Fuses