GM Service Manual Online
For 1990-2009 cars only
Makes
🢒
Cadillac
🢒
2006
🢒
Escalade EXT
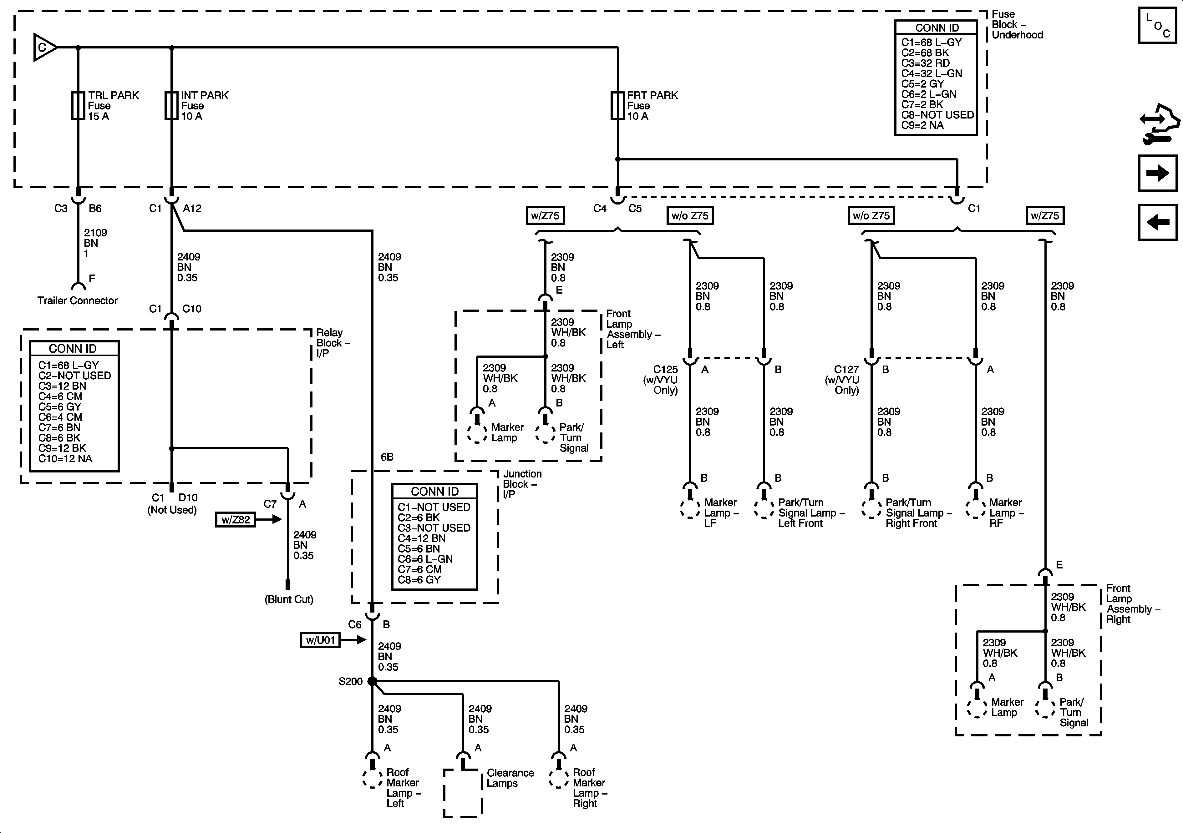
🢒 FRT PARK, INT PARK, and TRL PARK Fuses - except VD1
FRT PARK, INT PARK, and TRL PARK Fuses - except VD1
FRT PARK, INT PARK, and TRL PARK Fuses -- Except VD1
Master Electrical Component List
Control Module References
FRT PARK, DRL, INT PARK, and TRL PARK Fuses - w/ VD1
LR PARK and RR PARK Fuses
LR PARK and RR PARK Fuses