GM Service Manual Online
For 1990-2009 cars only
Makes
🢒
Cadillac
🢒
2006
🢒
Escalade EXT
🢒 Adjustable Pedals Power and Pedals Controls
Adjustable Pedals Power and Pedals Controls
Power and Pedals Controls
Master Electrical Component List
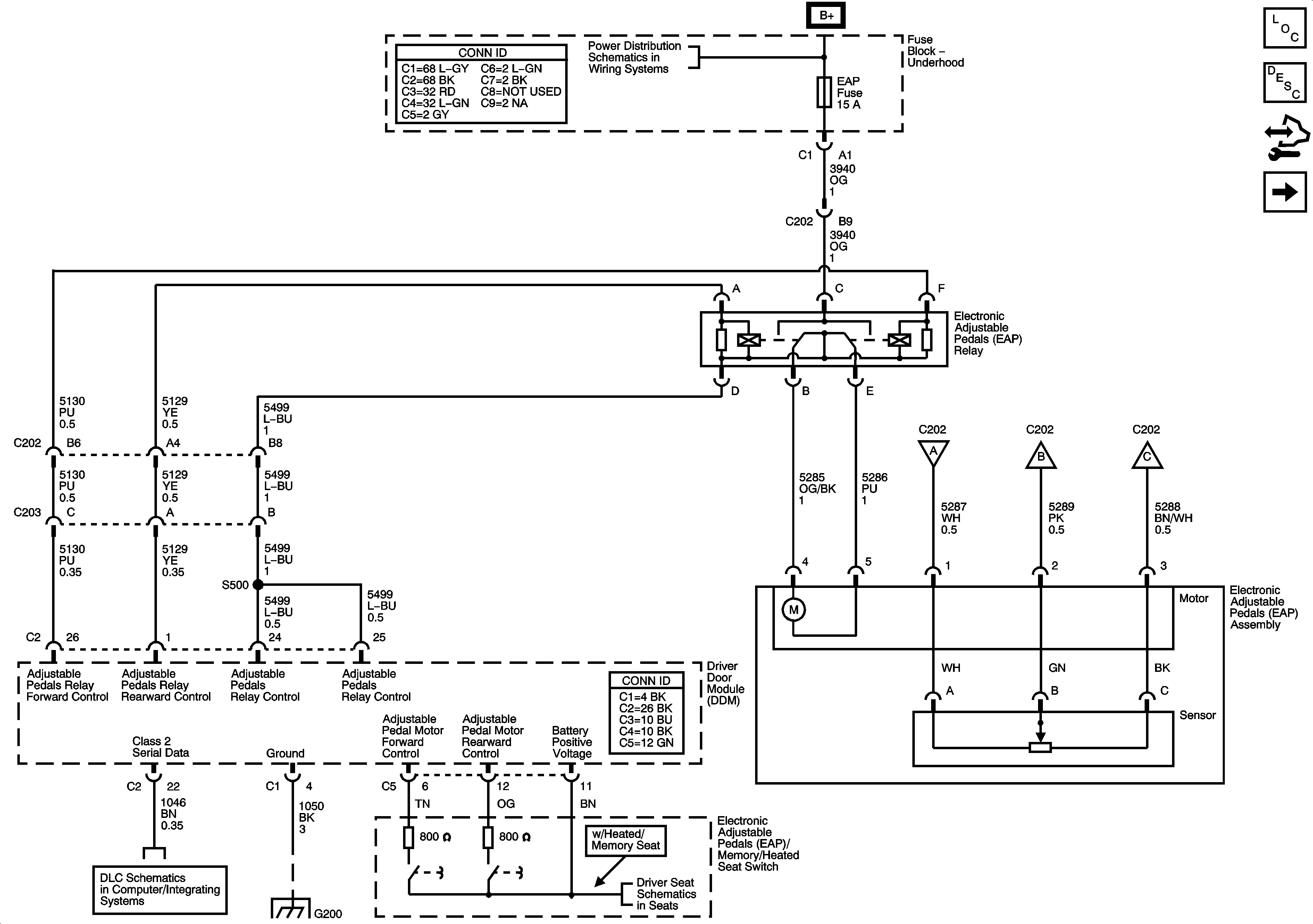
Adjustable Pedals Description and Operation
Control Module References
Memory Seat Module
B+ Bus - 1 of 2
Memory Seat Module
Heated Seat Controls - Driver
G200 3 of 3
Power, Ground, DLC and Splice Pack SP205