GM Service Manual Online
For 1990-2009 cars only
Makes
🢒
Cadillac
🢒
2006
🢒
Escalade EXT
🢒 External Radio Source - U1S
External Radio Source - U1S
External Audio Source - U1S
Master Electrical Component List
Radio/Audio System Description and Operation
Control Module References
External Radio Source - U2K
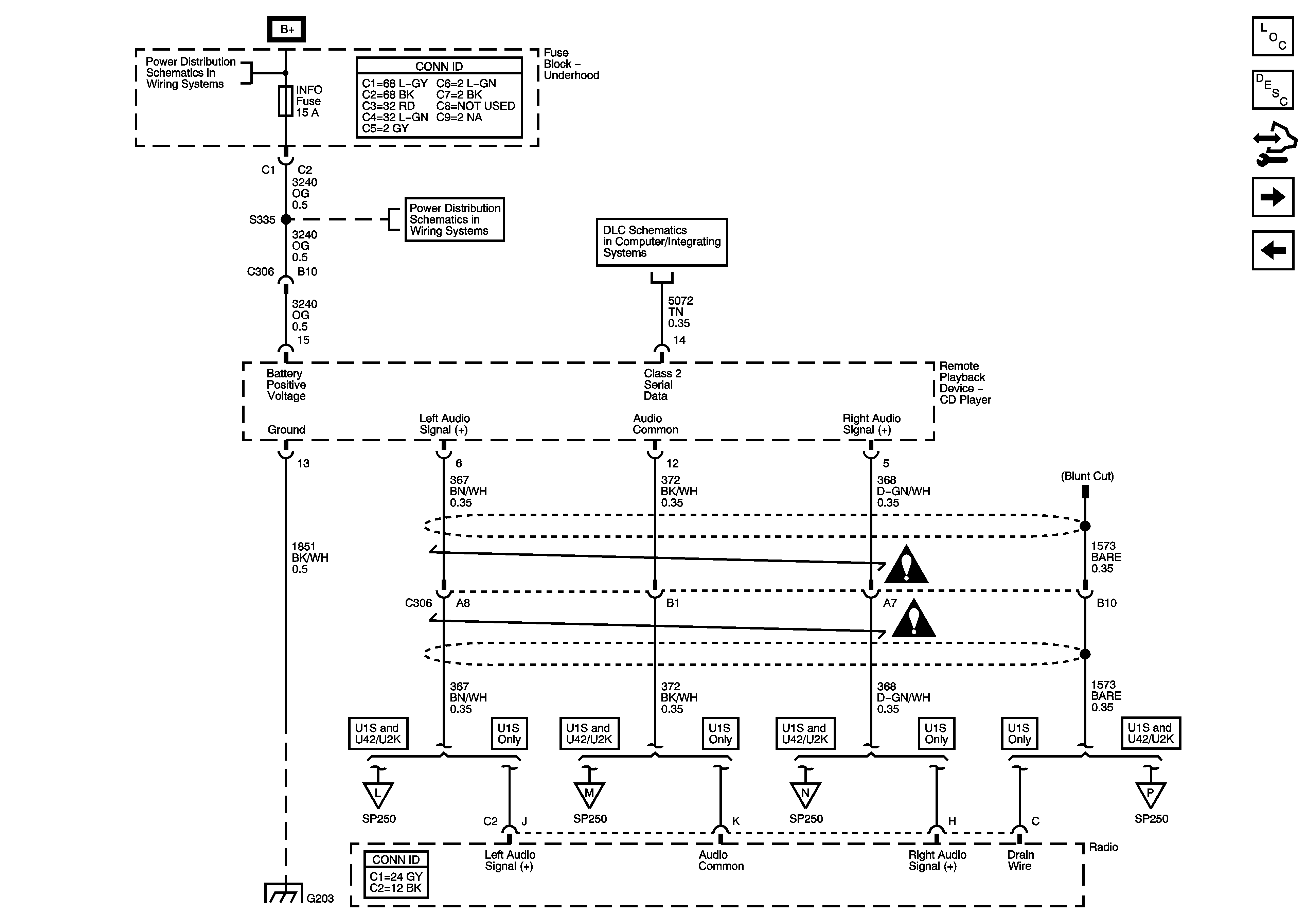
Radio Power, Ground, Class 2 Serial Data, and Audio Signals
B+ Bus - 1 of 2
CIG LTR, EAP, and INFO Fuses
SP207
Entertainment Schematic Icons
Splice Pack SP250
G203 1 of 3