GM Service Manual Online
For 1990-2009 cars only
Makes
🢒
Cadillac
🢒
2006
🢒
Escalade EXT
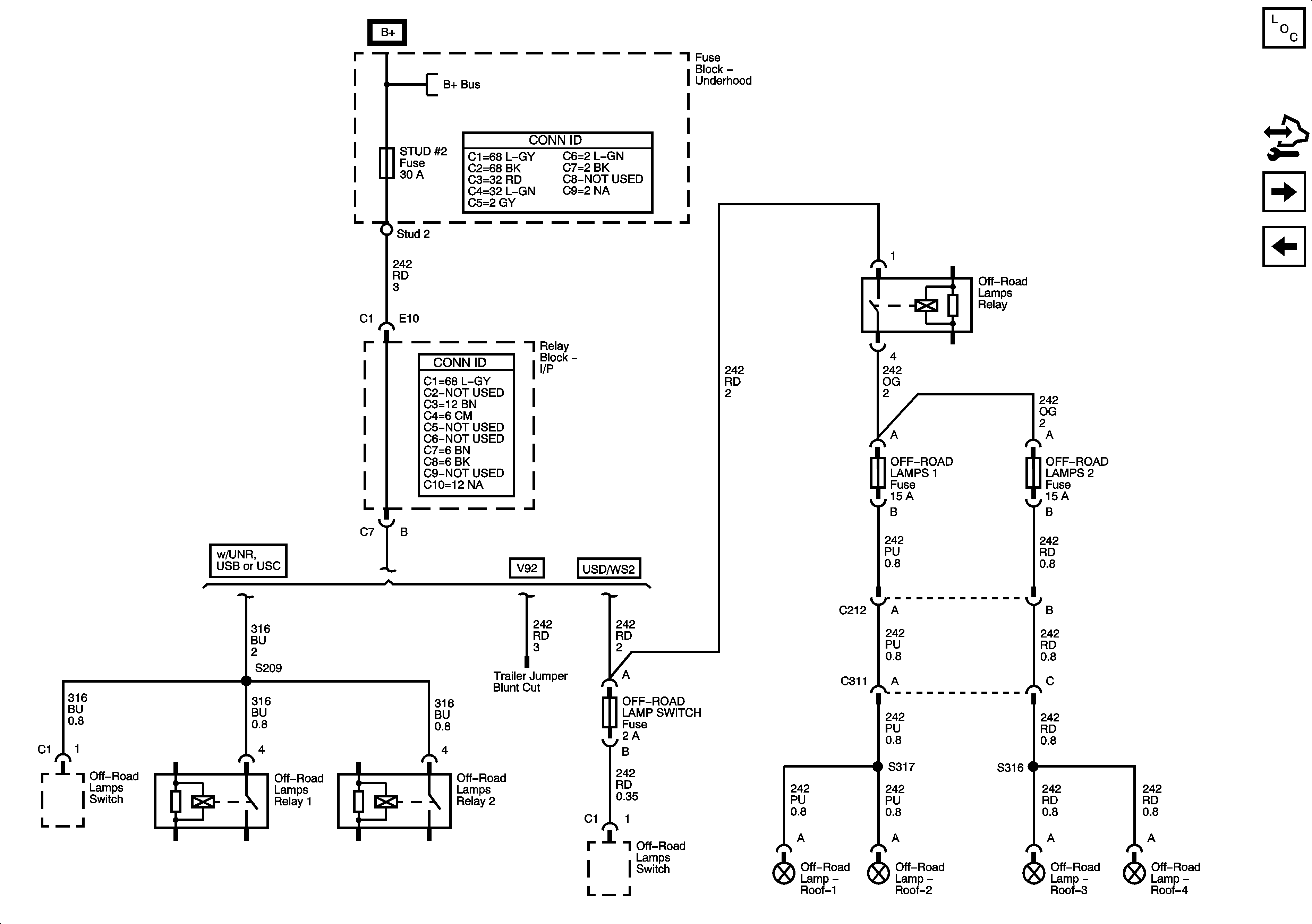
🢒 STUD #2, OFF-ROAD LAMP SWITCH, OFF-ROAD LAMPS 1, and OFF-ROAD LAMPS 2 Fuses
STUD #2, OFF-ROAD LAMP SWITCH, OFF-ROAD LAMPS 1, and OFF-ROAD LAMPS 2 Fuses
STUD #2, OFF-ROAD LAMP SWITCH, OFF-ROAD LAMPS 1, OFF-ROAD LAMPS 2 Fuses
Master Electrical Component List
Control Module References
DDM, INFO, LBEC 1, LBEC 2, LGATE, LOCKS, PDM, TBC 2A, TBC 2B, and TBC 2C Fuses and LEFT DOOR and MIDGATE Circuit Breakers
ABS, BLOWER, MBEC, STUD 1, STUD 2, and VSES/ECAS Fuses and RT DOORS and SEATS Circuit Breakers
B+ Bus
B+ Bus