GM Service Manual Online
For 1990-2009 cars only
Makes
🢒
Cadillac
🢒
2006
🢒
Escalade EXT
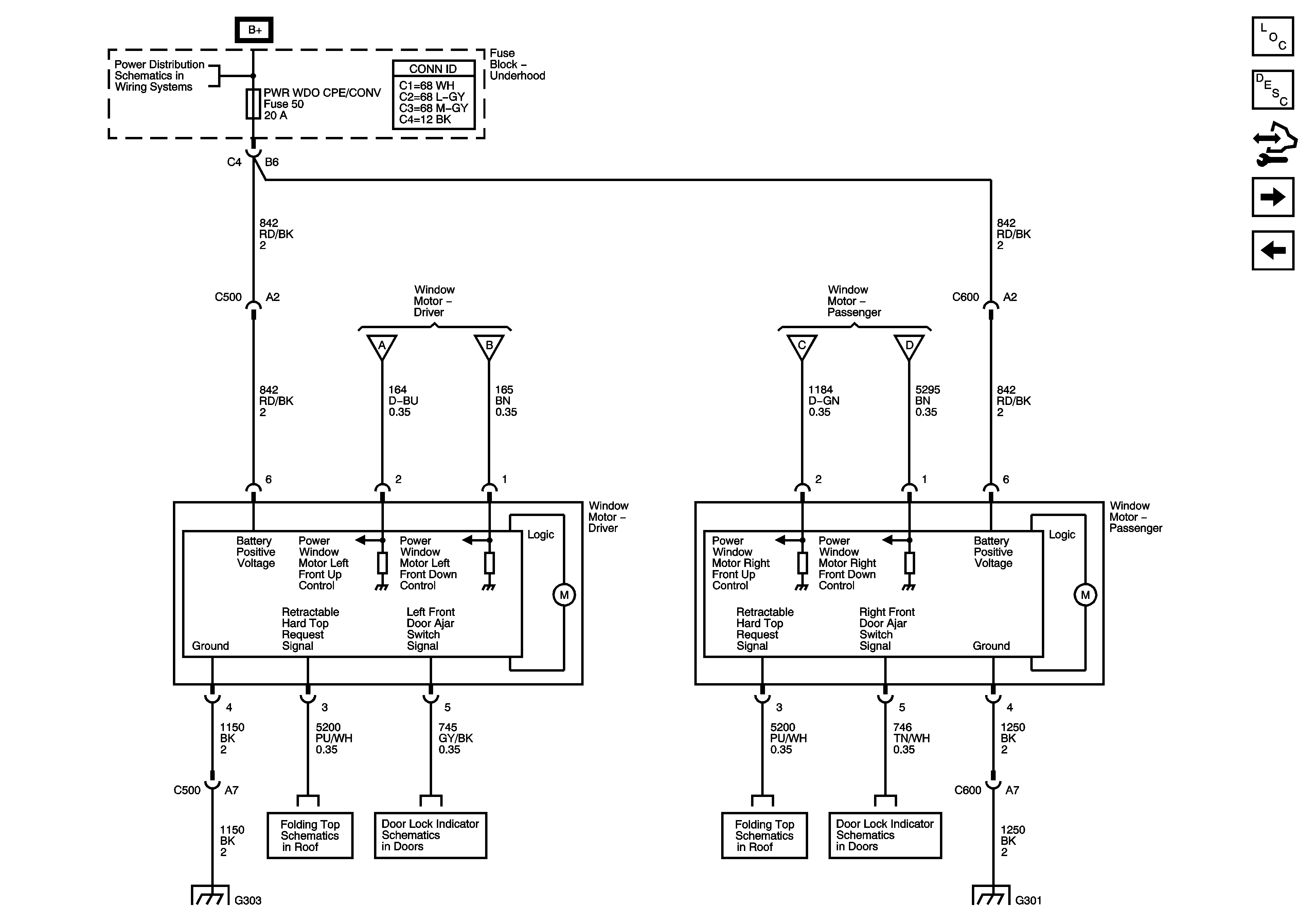
🢒 Front Window Motors - Convertible
Front Window Motors - Convertible
Front Window Motors - Convertible
Master Electrical Component List
Power Windows Description and Operation
Control Module References
Window Motors - Coupe
Window Switches - Convertible
Underhood Fuse Block - B+
Window Switches - Convertible
Window Switches - Convertible
G303
DLC, Ground, Power and References
Door Ajar Indicators
DLC, Ground, Power and References
Door Ajar Indicators
G301