GM Service Manual Online
For 1990-2009 cars only
Makes
🢒
Cadillac
🢒
2007
🢒
Escalade EXT
🢒
Body Systems
🢒
Mirrors
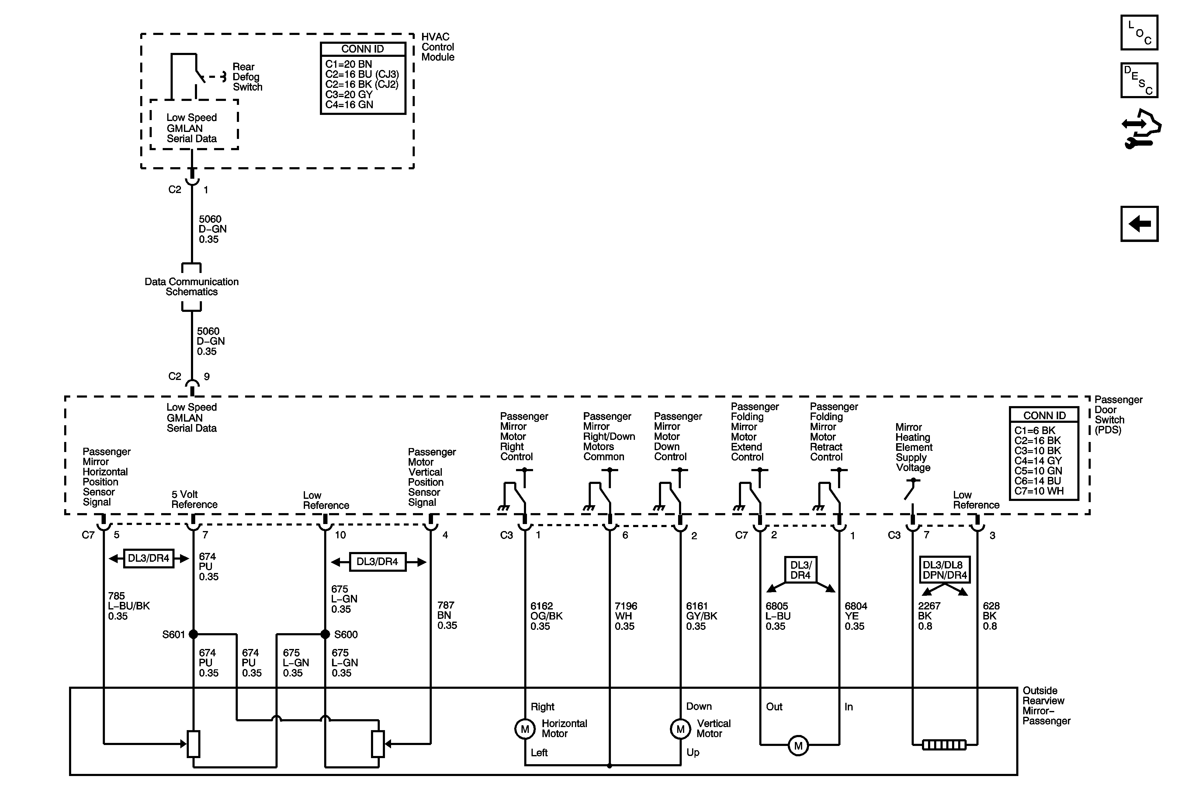
🢒 Outside Rearview Mirror Schematics
Figure
1:
Driver
Master Electrical Component List
Outside Mirror Description and Operation Power Mirrors
Control Module References
Passenger
Low Speed Bus - SP200 - 1 of 3
Inside Rearview Mirror Schematics
Figure
2:
Passenger
Master Electrical Component List
Outside Mirror Description and Operation Power Mirrors
Control Module References
Driver
Low Speed Bus - SP200 - 1 of 3