GM Service Manual Online
For 1990-2009 cars only
Makes
🢒
Cadillac
🢒
2007
🢒
Escalade EXT
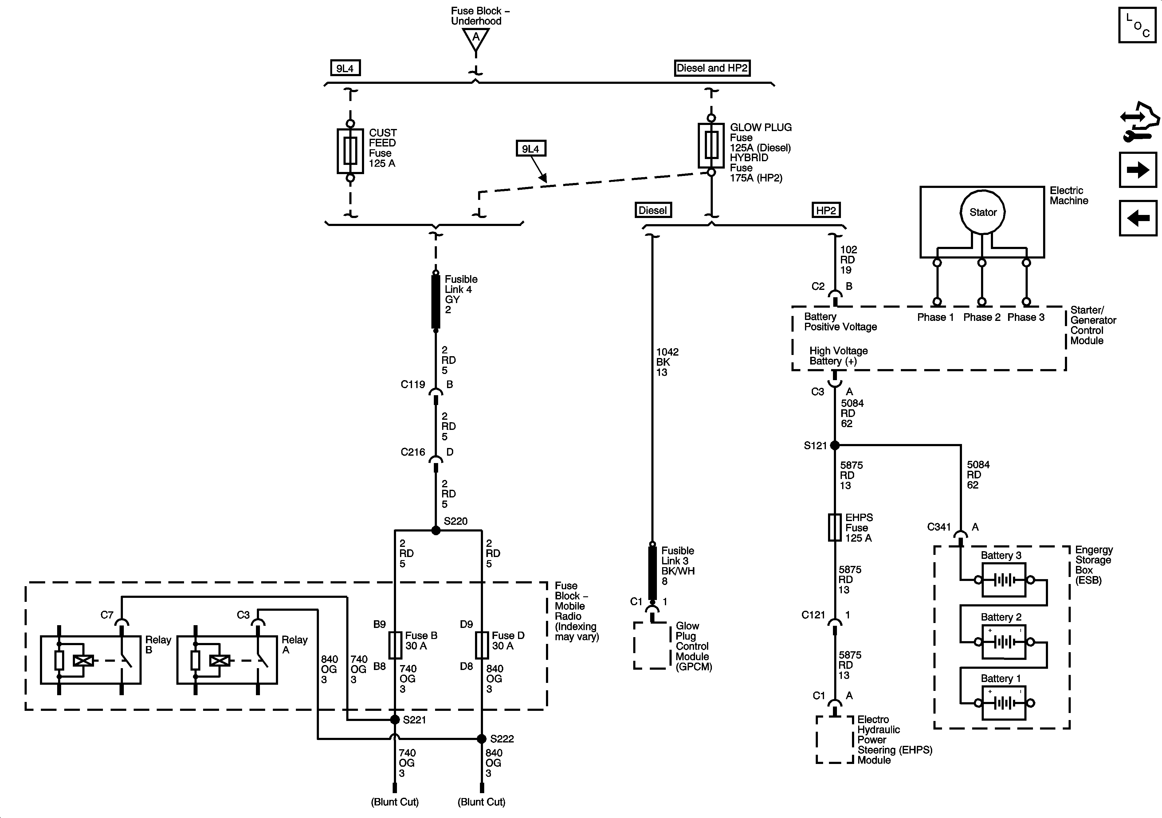
🢒 Battery Supply - 2 of 2
Battery Supply - 2 of 2
Battery Supply 2of 2
Master Electrical Component List
Control Module References
B+ Bus Bar
Battery Supply - 1 of 2
Battery Supply - 1 of 2