GM Service Manual Online
For 1990-2009 cars only
Makes
🢒
Cadillac
🢒
2007
🢒
Escalade EXT
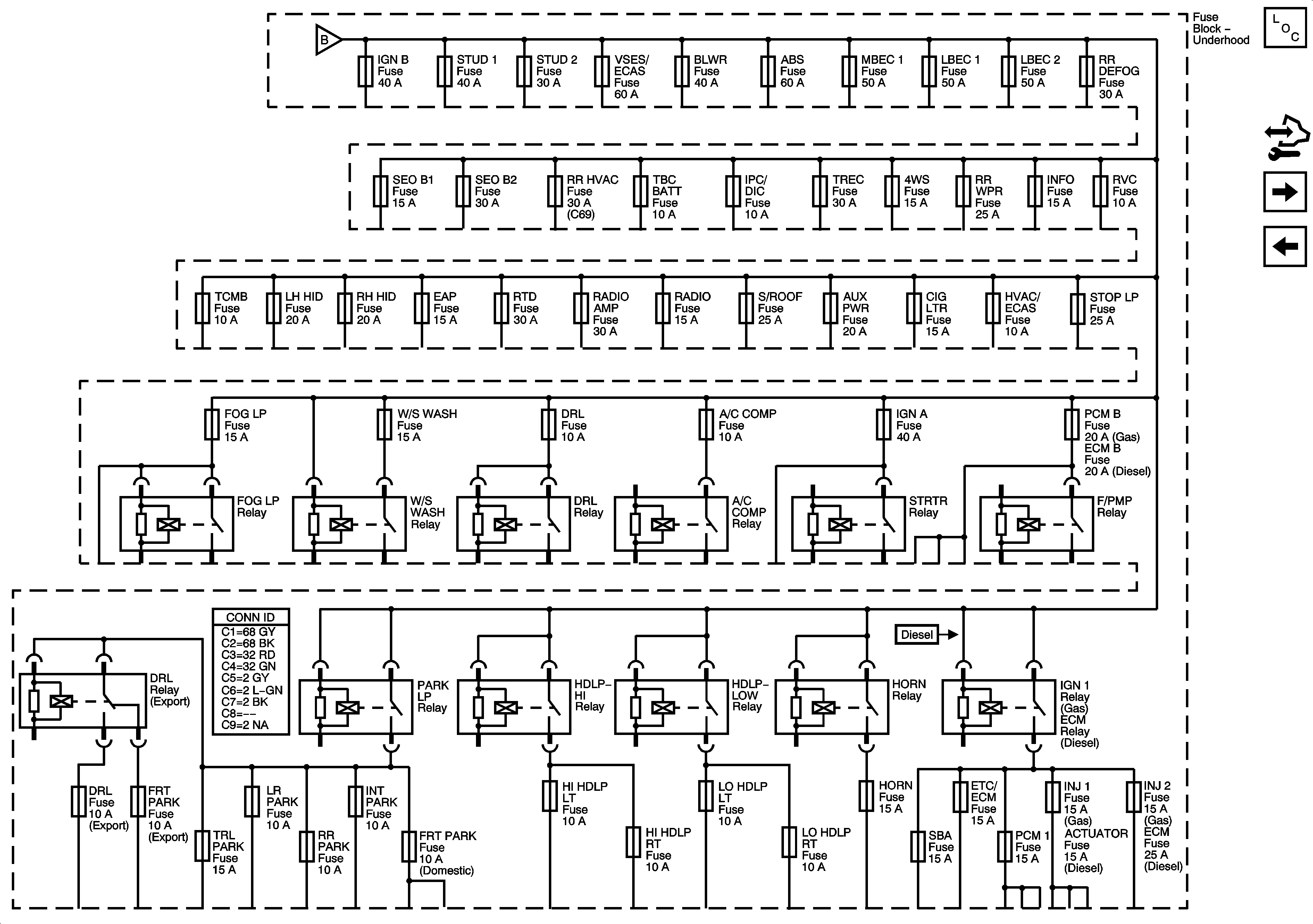
🢒 B+ Bus Bar
B+ Bus Bar
B+ Bus Bar
Master Electrical Component List
Control Module References
ABS, AUX HTR PMP, ESCM, HCM-B, MBEC1, RTD, STUD 1, STUD 2, TRANS PUMP, and VSES/ECAS Fuses and RT DOOR and SEAT Circuit Breakers
Battery Supply - 2 of 2
Battery Supply - 1 of 2