GM Service Manual Online
For 1990-2009 cars only
Makes
🢒
Cadillac
🢒
2007
🢒
Escalade EXT
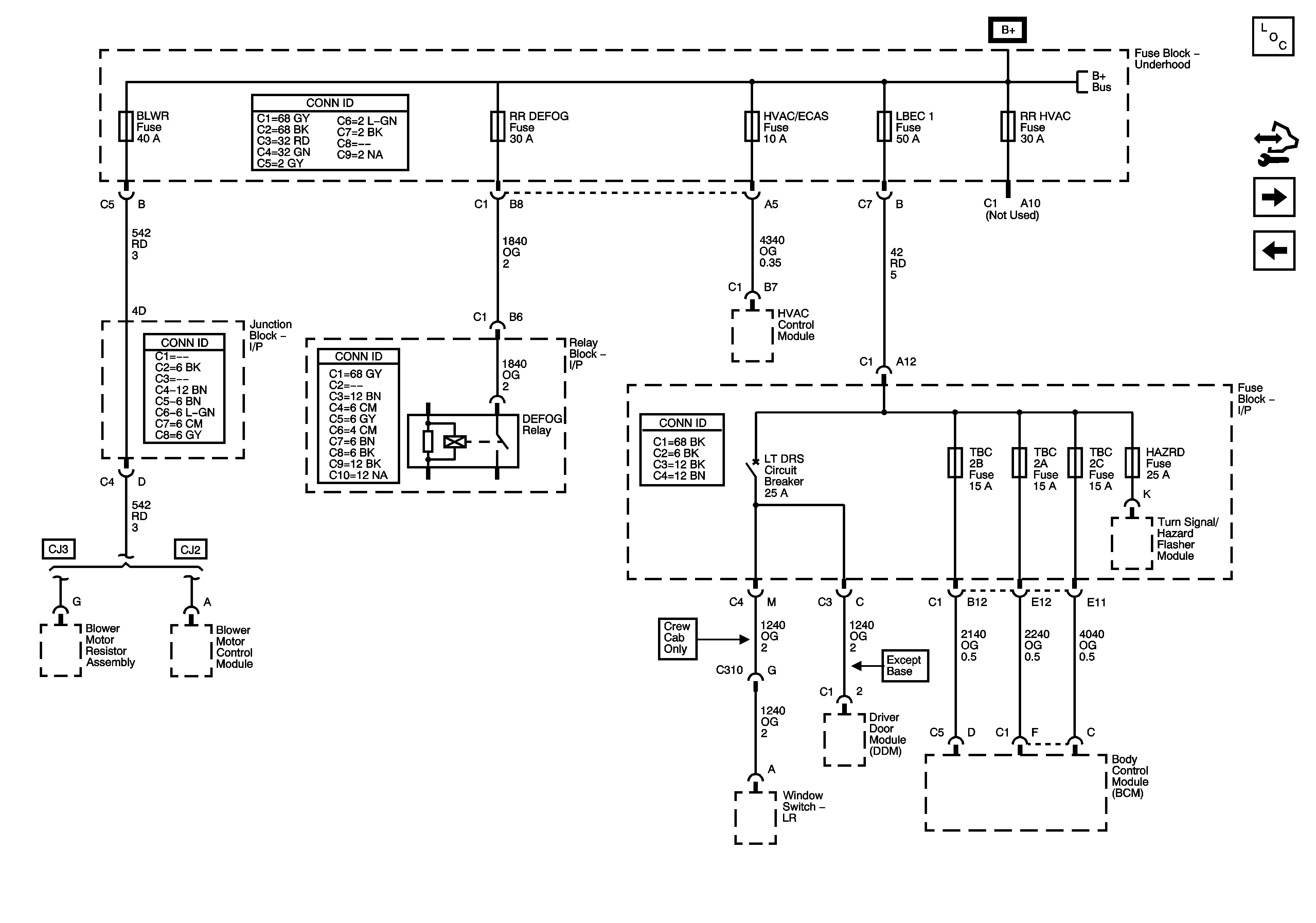
🢒 BLWR, HAZRD, HVAC/ECAS, LBEC 1, RR DEFOG, RR HVAC, TBC 2A, TBC 2B, and TBC 2C Fuses and LT DOOR Circuit Breaker
BLWR, HAZRD, HVAC/ECAS, LBEC 1, RR DEFOG, RR HVAC, TBC 2A, TBC 2B, and TBC 2C Fuses and LT DOOR Circuit Breaker
BLWR, HAZRD, HVAC/ECAS, LBEC 1, RR DEFOG, RR HVAC, TBC 2A, TBC 2B, and TBC 2C Fuses and LT DRS Circuit Breaker
Master Electrical Component List
Control Module References
CIG LTR, EAP, INFO, and RVC Fuses
IPC/DIC, LH HID, RH HID, SEO B1, SEO B2, and TBC BATT Fuses
B+ Bus Bar