GM Service Manual Online
For 1990-2009 cars only
Makes
🢒
Cadillac
🢒
2007
🢒
Escalade EXT
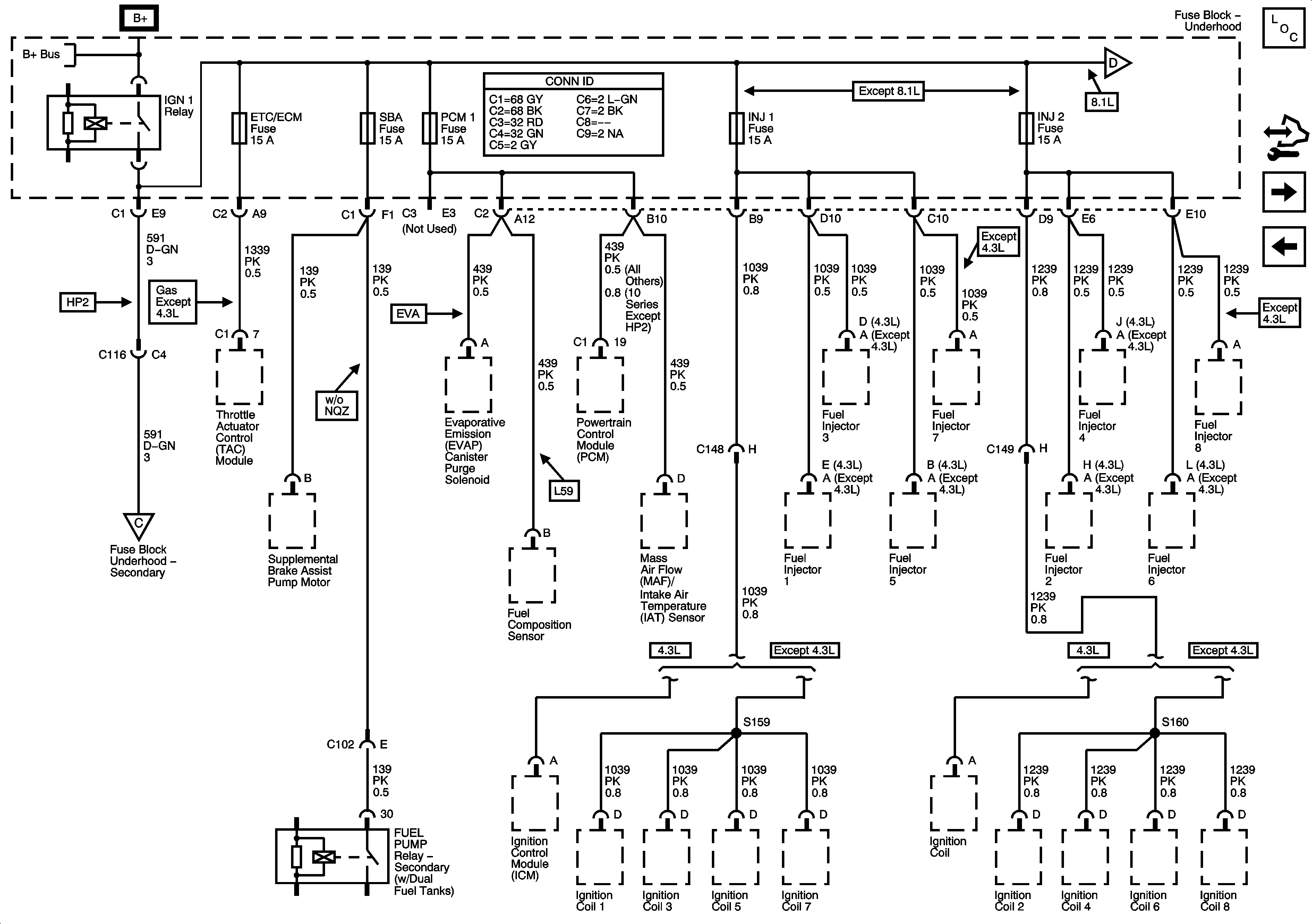
🢒 ETC/ECM, INJ 1, INJ 2, PCM 1, and SBA Fuses - Gas
ETC/ECM, INJ 1, INJ 2, PCM 1, and SBA Fuses - Gas
ETC/ECM, INJ 1, INJ 2, PCM 1, and SBA Fuses - Gas
Master Electrical Component List
Control Module References
INJ 1 and INJ 2 Fuses - 8.1L
LT TRLR ST/TRN, LT TRN, RT TRLR ST/TRN, and RT TRN Fuses
B+ Bus Bar
INJ 1 and INJ 2 Fuses - 8.1L
COOL PMP, HYBRID O2A, HYBRID O2B, IGN B, and PWR MAINT Fuses