GM Service Manual Online
For 1990-2009 cars only
Makes
🢒
Cadillac
🢒
2007
🢒
Escalade EXT
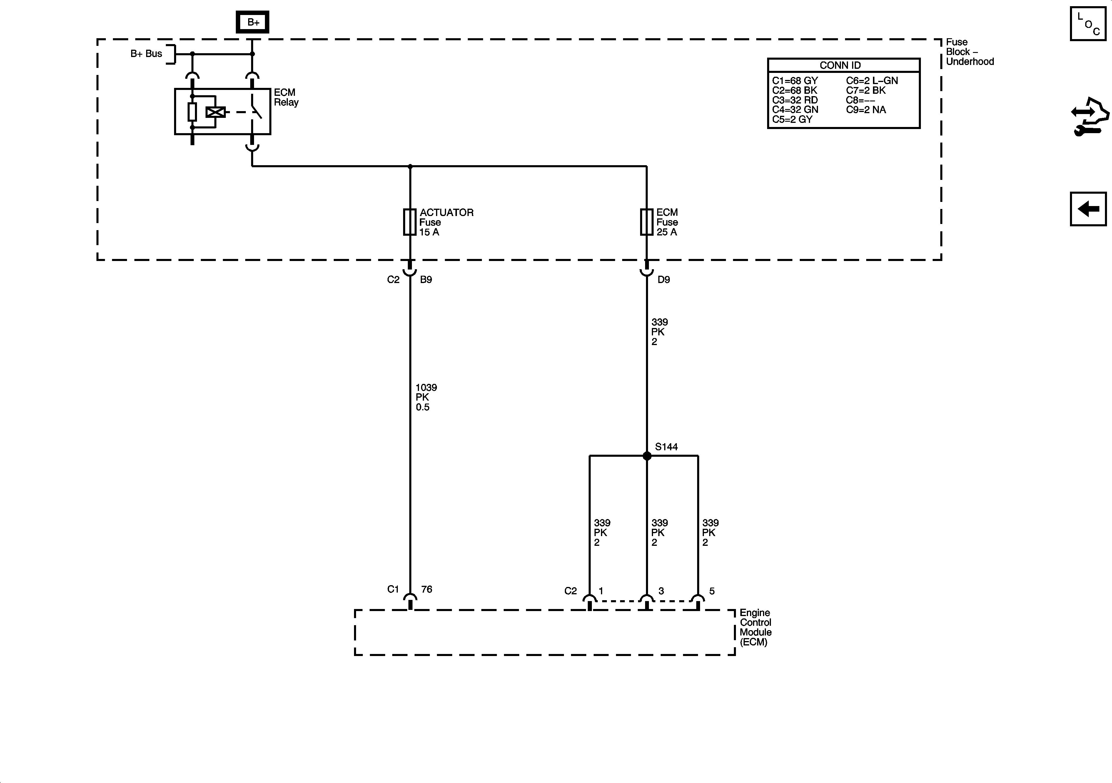
🢒 ACTUATOR and ECM Fuses - Diesel
ACTUATOR and ECM Fuses - Diesel
ACTUATOR and ECM Fuses - Diesel
Master Electrical Component List
Control Module References
HI HDLP LT, HI HDLP RT, HORN, LO HDLP LT, and LO HDLP RT Fuses
B+ Bus Bar