GM Service Manual Online
For 1990-2009 cars only
Makes
🢒
Cadillac
🢒
2007
🢒
Escalade EXT
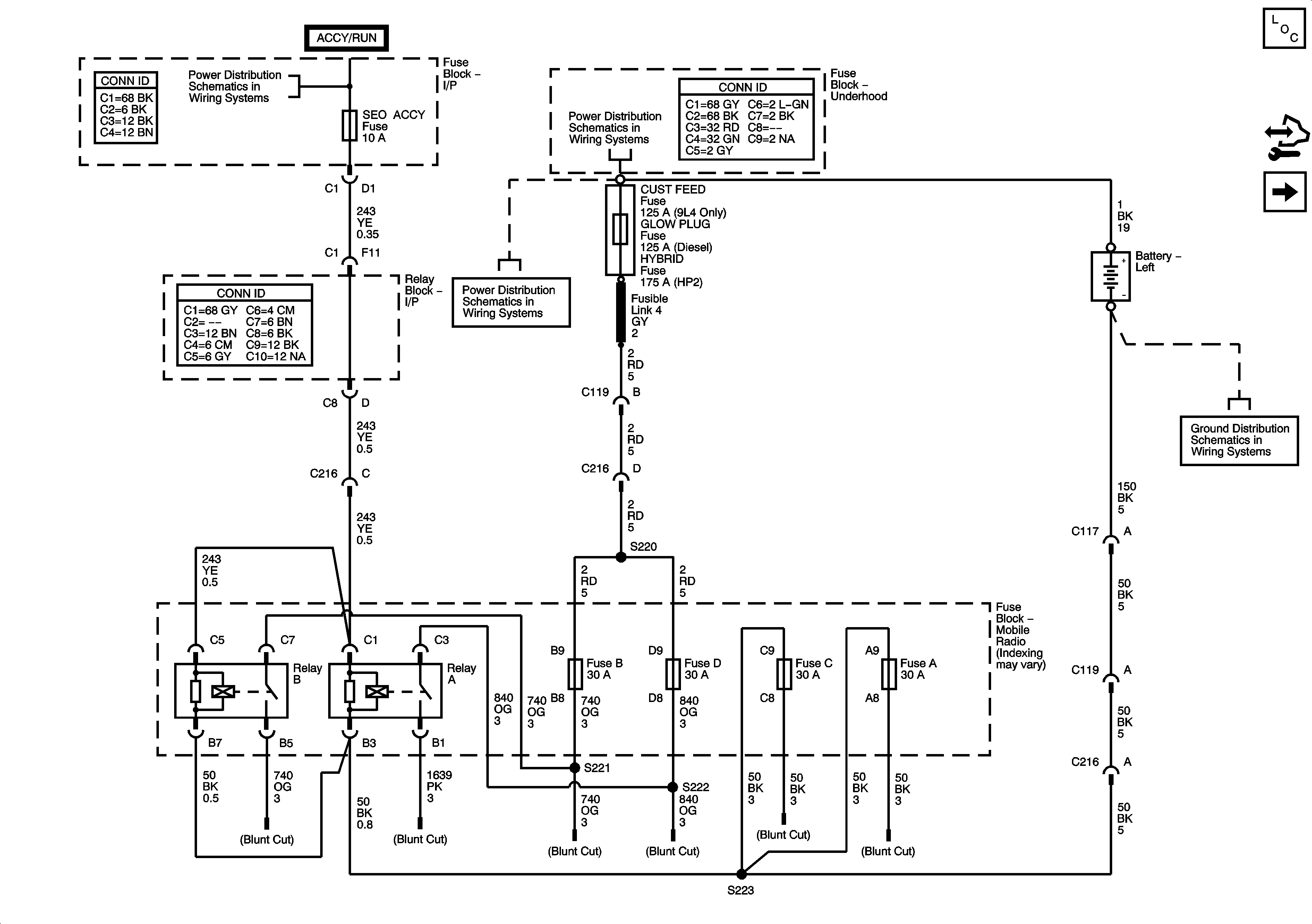
🢒 Mobile Radio (9L4)
Mobile Radio (9L4)
Mobile Radio (9L4)
Master Electrical Component List
Control Module References
Roof Beacon Lighting (5G4/TRW)
Ignition Switch - ACC/RUN and RUN/START BUS BARS and IGN B Fuse
Battery Supply - 1 of 2
Battery Supply - 2 of 2
G100 and G102