GM Service Manual Online
For 1990-2009 cars only
Makes
🢒
Cadillac
🢒
2007
🢒
Escalade EXT
🢒 Charging - Diesel
Charging - Diesel
Charging - Diesel
Master Electrical Component List
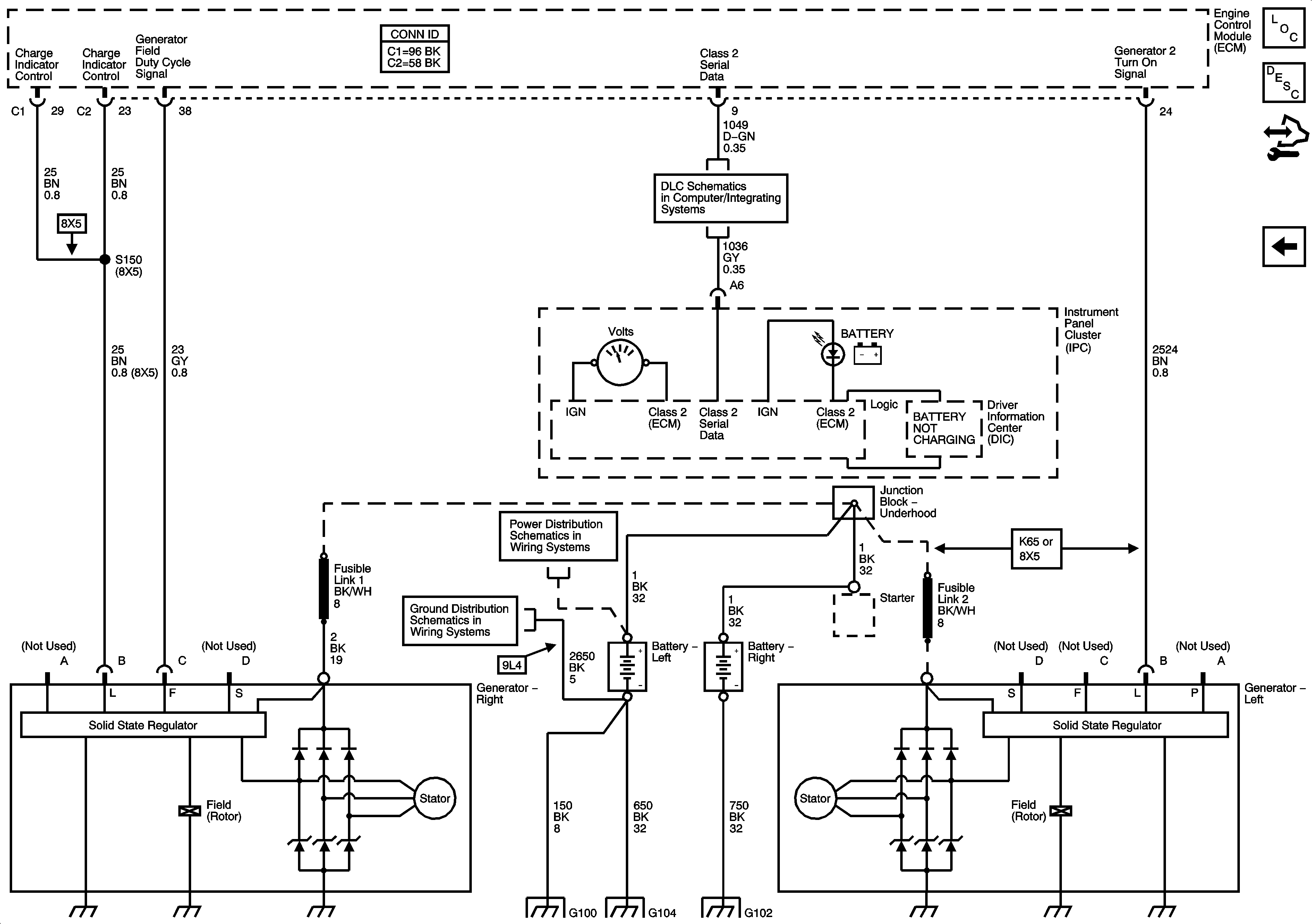
Charging System Description and Operation (W/O Generator/Battery Control Module)
Control Module References
Charging - 10 Series except HP2 - Gas
Power, Ground, DLC, and Splice Pack SP205
Battery Supply - 1 of 2
G100 and G102
G100 and G102
G104, G107, and G110
G102, G103 and G108 - Diesel