GM Service Manual Online
For 1990-2009 cars only
Makes
🢒
Cadillac
🢒
2007
🢒
Escalade EXT
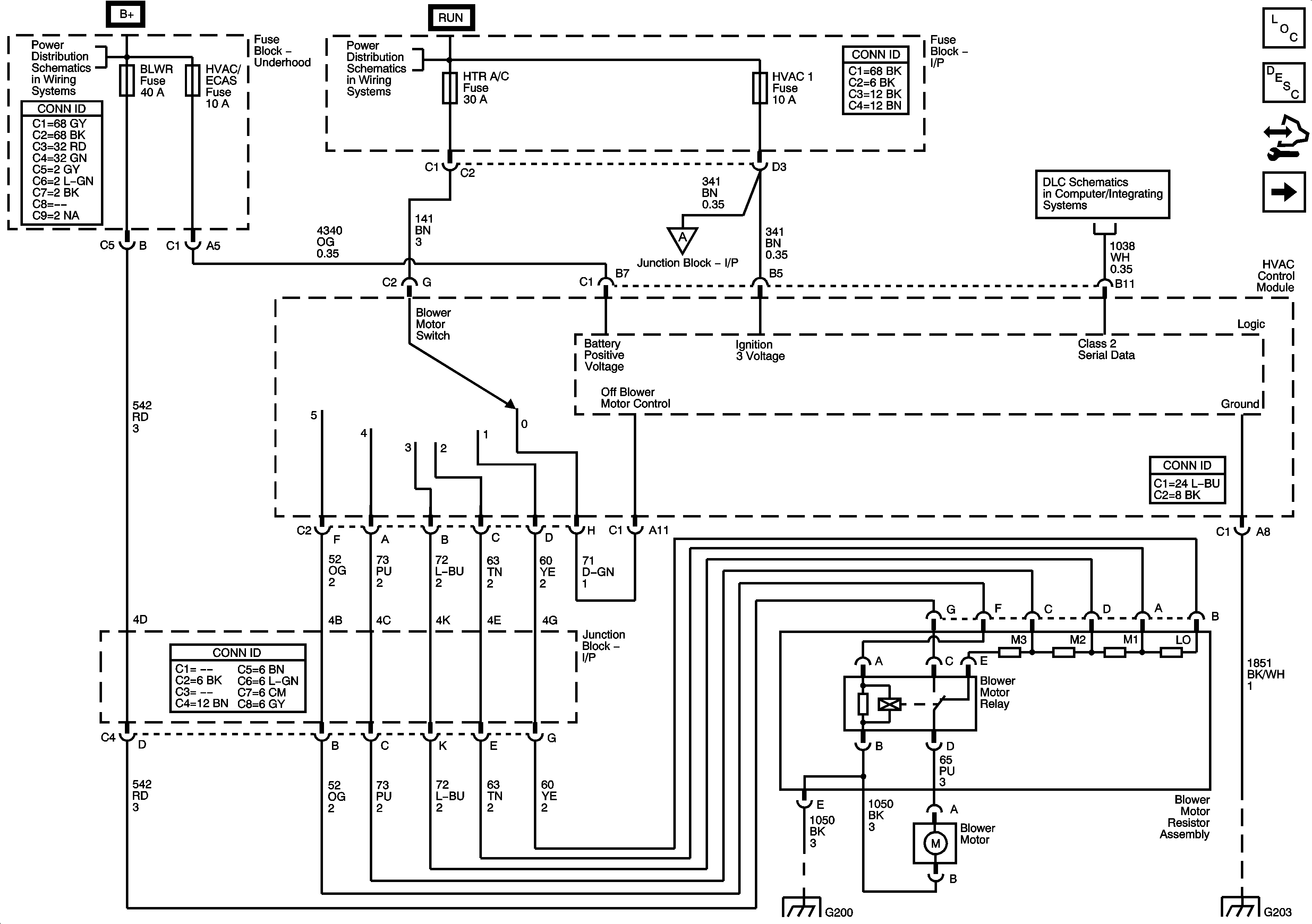
🢒 Power, Ground, Serial Data, and Blower Motor Controls
Power, Ground, Serial Data, and Blower Motor Controls
Power, Ground, Serial Data, and Blower Motor Controls
Master Electrical Component List
Air Delivery Description and Operation
Control Module References
Mode and Recirculating Actuators
B+ Bus Bar
Ignition Switch - START, RUN, and ACC/RUN/START BUS BARS, IGN A and CRNK Fuses
Ignition Switch - START, RUN, and ACC/RUN/START BUS BARS, IGN A and CRNK Fuses
Splice Pack SP207
G115 and G200 - 1 of 2
G203 - 1 of 2