GM Service Manual Online
For 1990-2009 cars only
Makes
🢒
Cadillac
🢒
2007
🢒
Escalade EXT
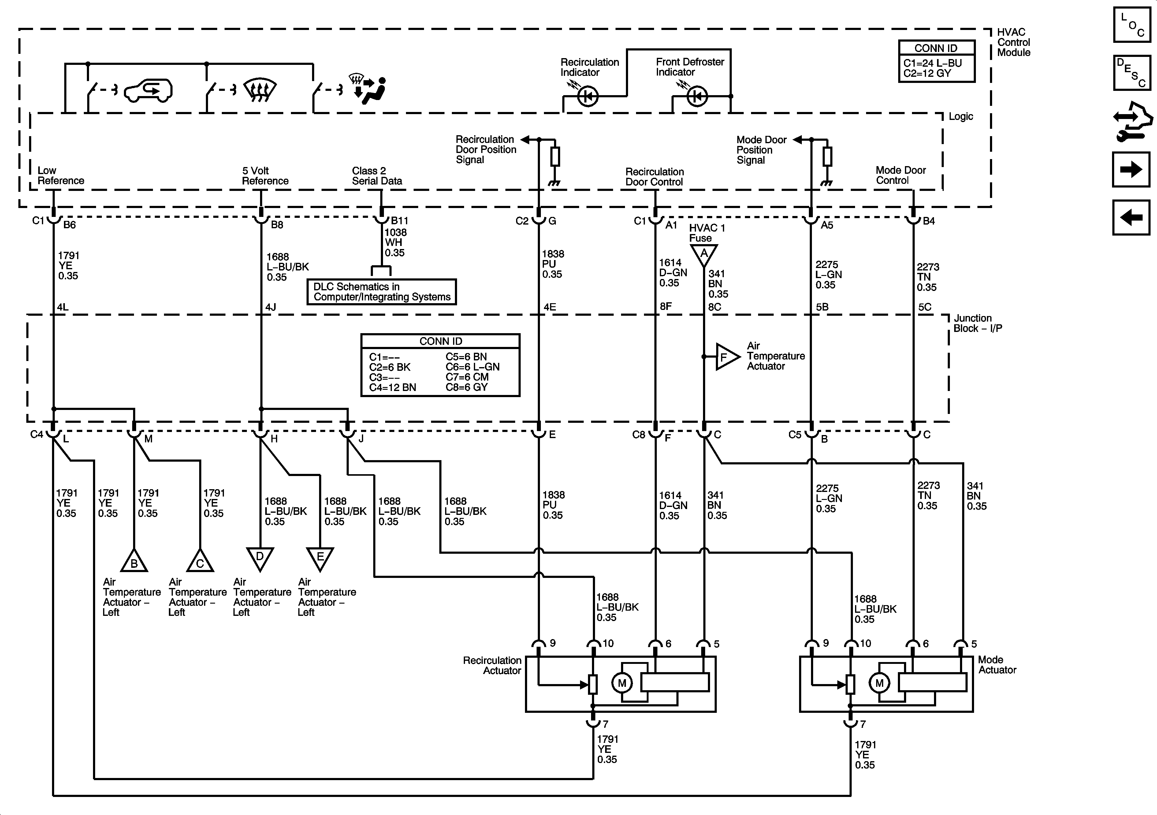
🢒 Mode and Recirculation Actuators
Mode and Recirculation Actuators
Mode and Recirculation Actuators
Master Electrical Component List
Air Delivery Description and Operation
Control Module References
Air Temperature Actuator - Left and Right
Power, Ground, Serial Data, and Blower Motor Controls
Splice Pack SP207
Power, Ground, Serial Data, and Blower Motor Controls
Air Temperature Actuator - Left and Right
Air Temperature Actuator - Left and Right
Air Temperature Actuator - Left and Right
Air Temperature Actuator - Left and Right
Air Temperature Actuator - Left and Right