GM Service Manual Online
For 1990-2009 cars only
Makes
🢒
Cadillac
🢒
2007
🢒
Escalade EXT
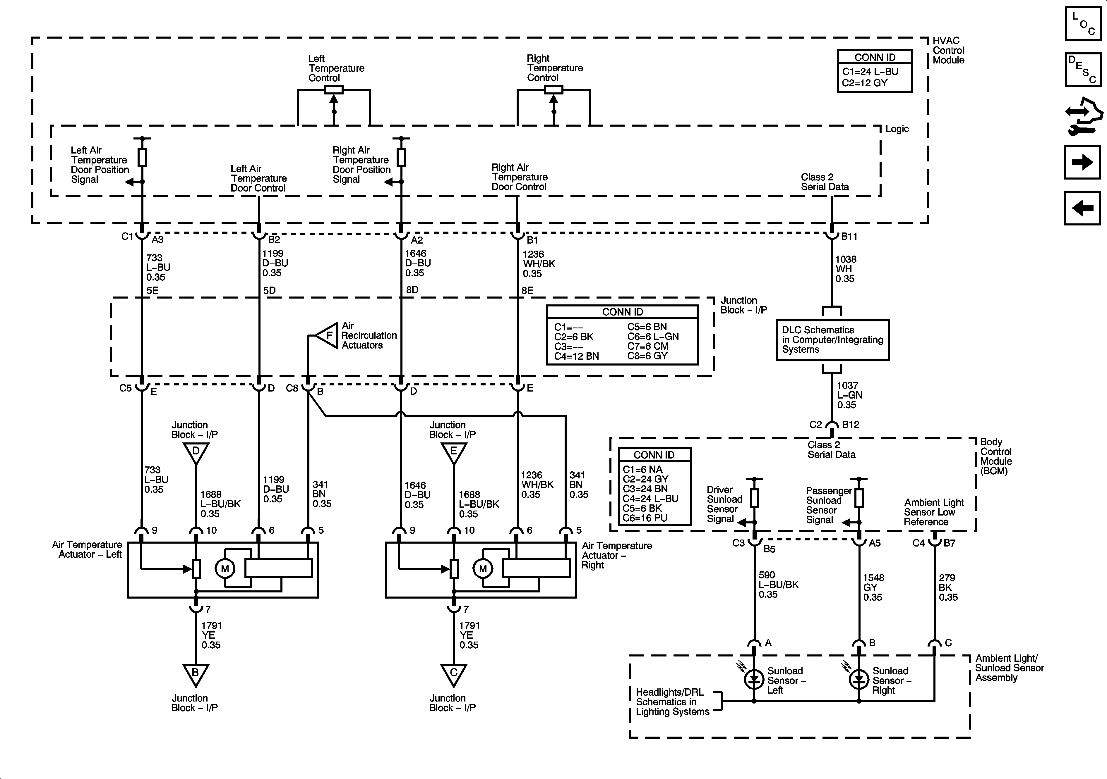
🢒 Air Temperature Actuator - Left and Right
Air Temperature Actuator - Left and Right
Air Temperature Actuators - Left and Right
Master Electrical Component List
Air Delivery Description and Operation
Control Module References
Air Temperature Sensors
Mode and Recirculation Actuators
Mode and Recirculation Actuators
Mode and Recirculation Actuators
Mode and Recirculation Actuators
Mode and Recirculation Actuators
Mode and Recirculation Actuators
Splice Pack SP207
Headlights/DRL Control