GM Service Manual Online
For 1990-2009 cars only
Makes
🢒
Cadillac
🢒
2007
🢒
Escalade EXT
🢒 Suspension Controls
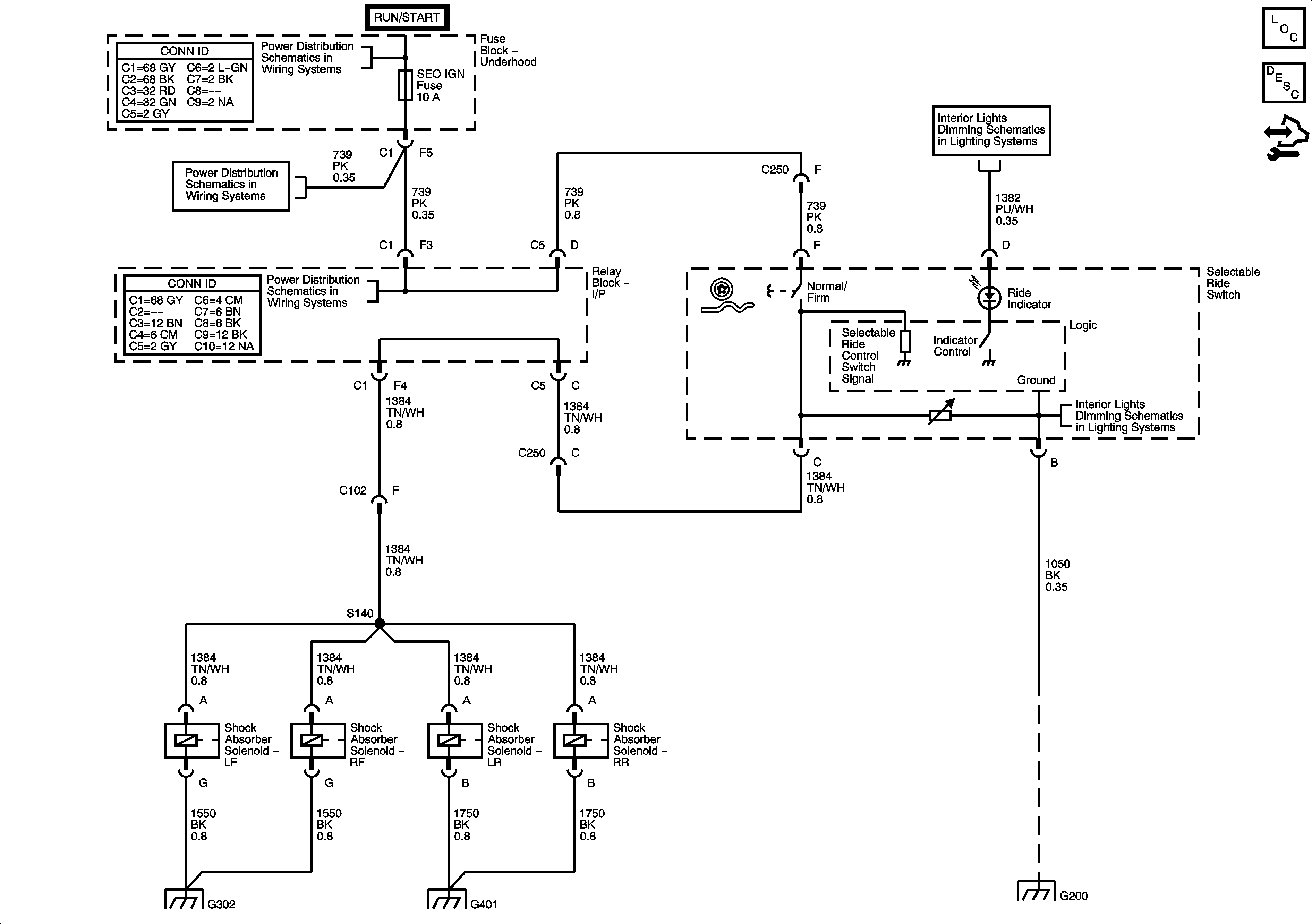
Suspension Controls
Master Electrical Component List
Selectable Ride Description and Operation
Control Module References
LED Dimming Supply - 2 of 2
LED Dimming Supply - 2 of 2
Ignition Switch - ACC/RUN and RUN/START BUS BARS and IGN B Fuse
B/U LP, BTSI, O2A, O2B, SEO IGN, TBC IGN 1, and TRL B/U Fuses
B/U LP, BTSI, O2A, O2B, SEO IGN, TBC IGN 1, and TRL B/U Fuses
G302
G401
G115 and G200 - 1 of 2