GM Service Manual Online
For 1990-2009 cars only
Makes
🢒
Cadillac
🢒
2007
🢒
Escalade EXT
🢒 Relays and Actuators (YE9) - Crew Cab
Relays and Actuators (YE9) - Crew Cab
Relays and Actuators - Crew Cab (YE9)
Master Electrical Component List
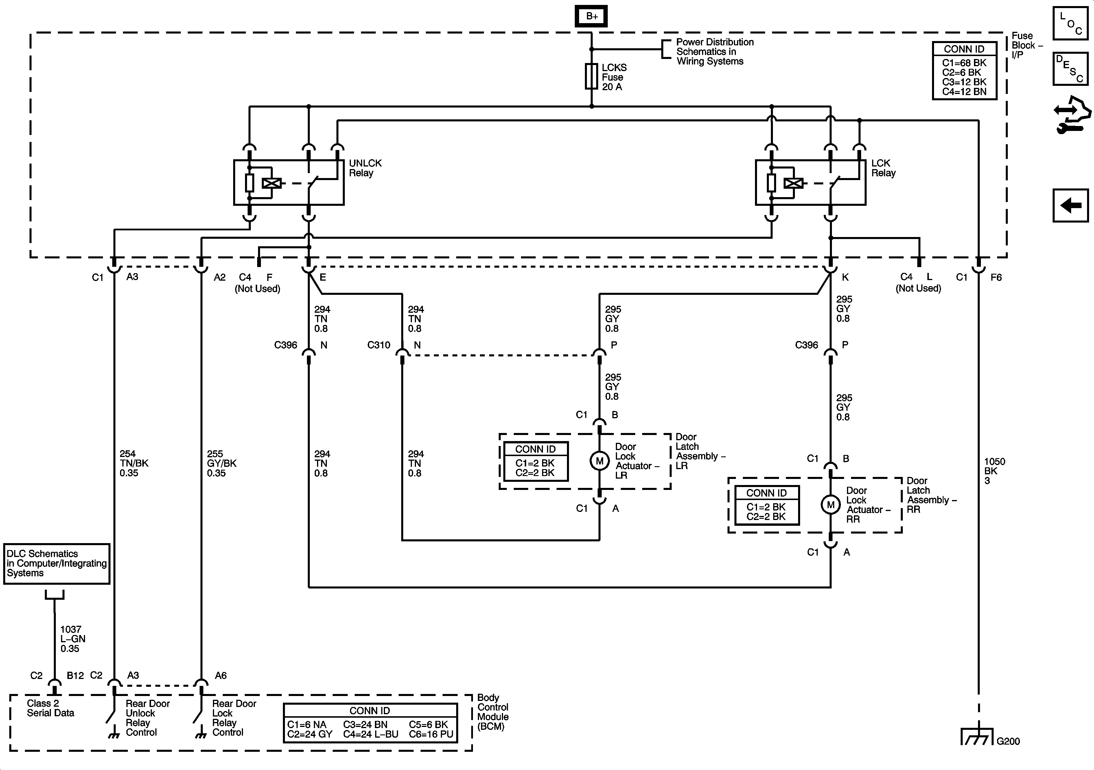
Power Door Locks Description and Operation
Control Module References
Switches and Front Door Actuators (YE9)
AUX PWR, AUX PWR 2, DDM, ECC/TCM, ECM B, LBEC 2, LCKS, PCM B, PDM and TCM B Fuses
Power, Ground, DLC, and Splice Pack SP205
G115 and G200 - 1 of 2