GM Service Manual Online
For 1990-2009 cars only
Makes
🢒
Cadillac
🢒
2007
🢒
Escalade EXT
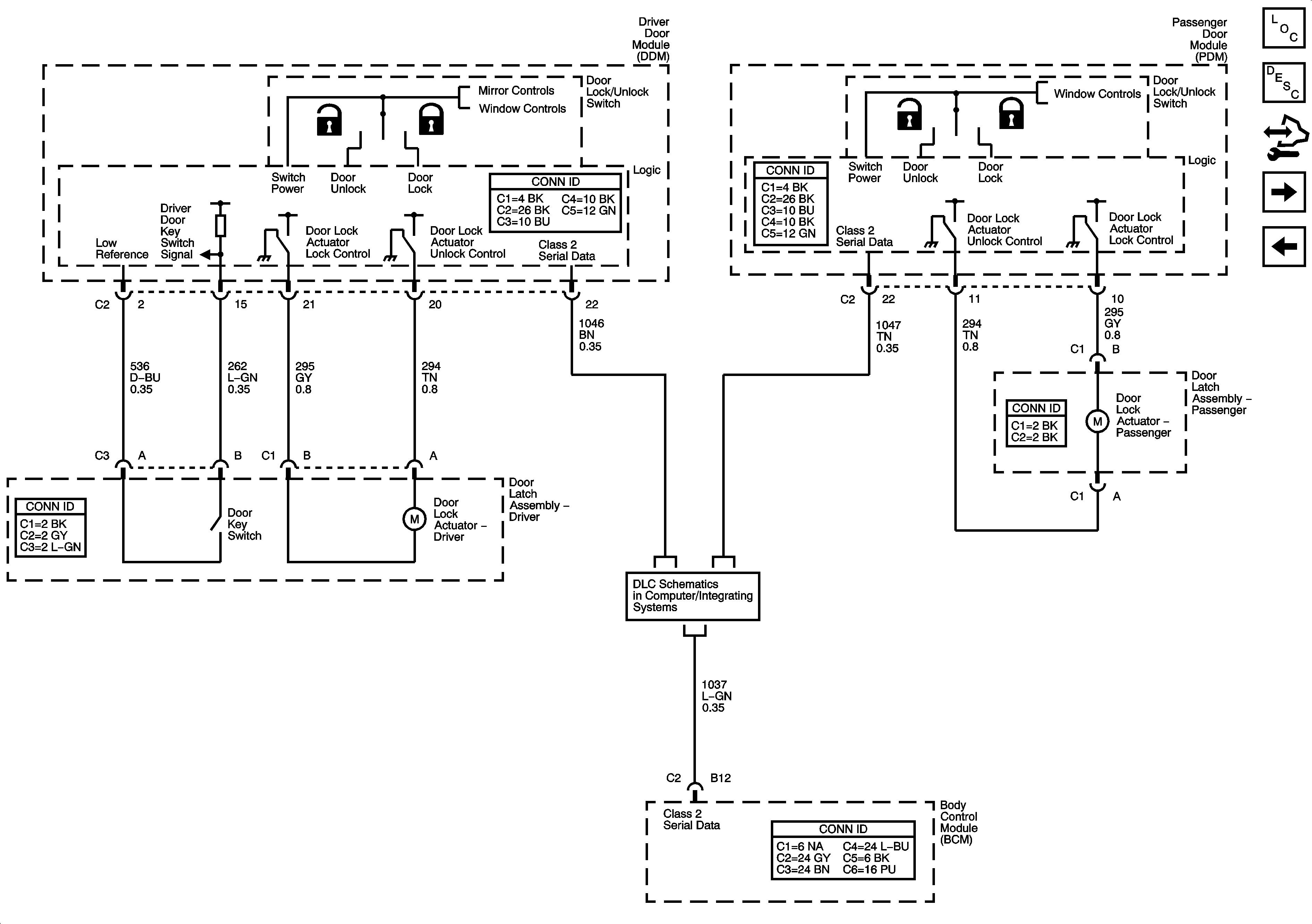
🢒 Switches and Front Door Actuators (YE9)
Switches and Front Door Actuators (YE9)
Switches and Front Door Actuators (YE9)
Master Electrical Component List
Power Door Locks Description and Operation
Control Module References
Actuators (Except YE9)
Relays and Actuators (YE9) - Crew Cab
Outside Mirror
Left Doors
Power, Ground, DLC, and Splice Pack SP205
Right Doors