GM Service Manual Online
For 1990-2009 cars only
Makes
🢒
Cadillac
🢒
2007
🢒
Escalade EXT
🢒 Outside Mirror
Outside Mirror
Master Electrical Component List
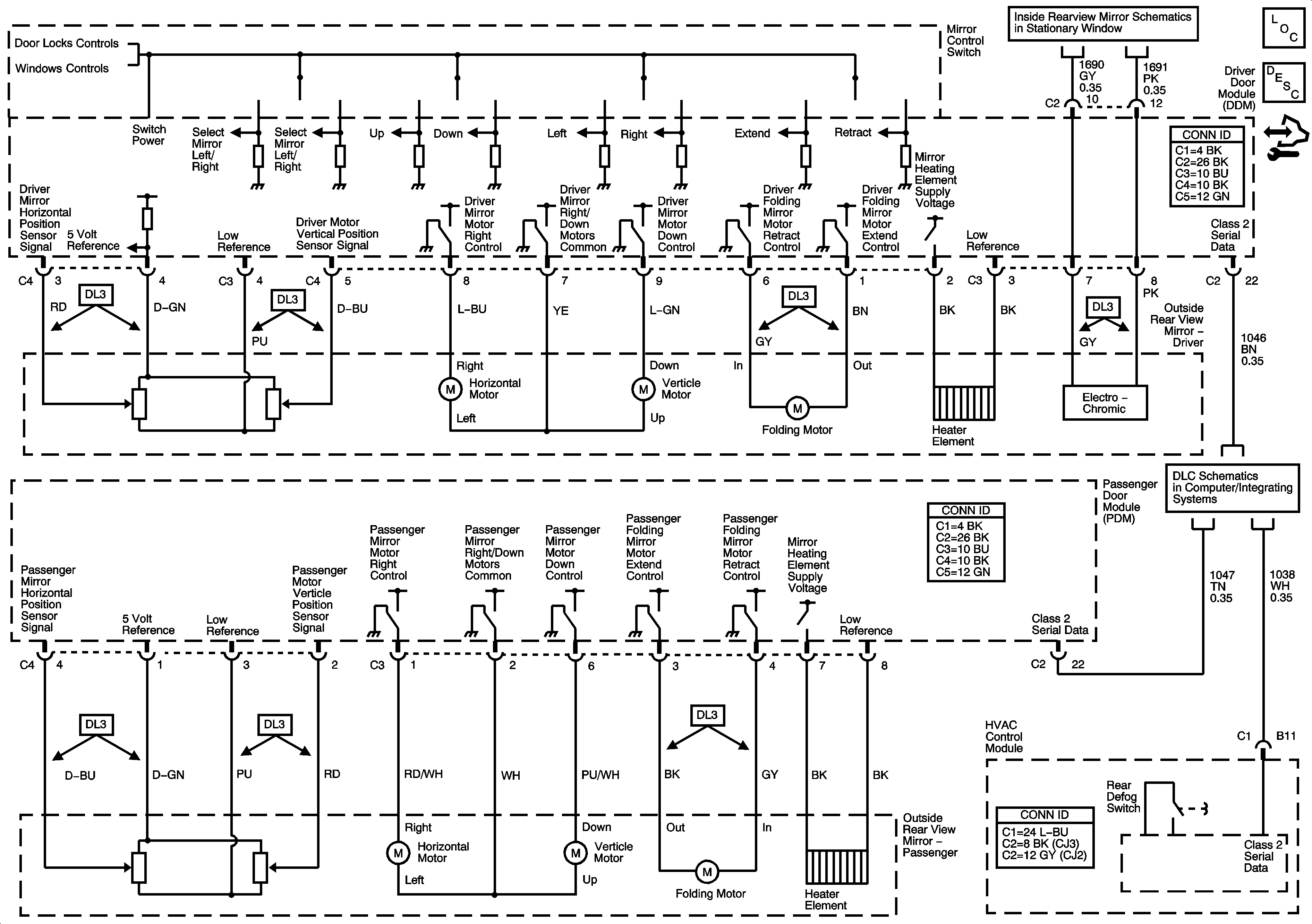
Outside Mirror Description and Operation (Heated Mirrors)
Control Module References
Switches and Front Door Actuators (YE9)
Left Doors
Inside Rearview Mirror (ISRVM)
Power, Ground, DLC, and Splice Pack SP205